

| 
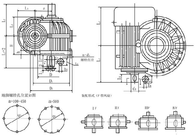
             型號\尺寸  
             | 
            
             a  
             | 
            
             B1  
             | 
            
             B2  
             | 
            
             B3  
             | 
            
             B4  
             | 
            
             C1  
             | 
            
             C2  
             | 
            
             C3  
             | 
            
             D  
             | 
            
             h  
             | 
            
             h1  
             | 
            
             i≤12.5  
             | 
        ||||
| 
             d1  
             | 
            
             I1  
             | 
            
             b1  
             | 
            
             t1  
             | 
            
             L1  
             | 
        ||||||||||||
| 
             63  
             | 
            
             63  
             | 
            
             155  
             | 
            
             245  
             | 
            
             140  
             | 
            
             105  
             | 
            
             125  
             | 
            
             90  
             | 
            
             125  
             | 
            
             190  
             | 
            
             23  
             | 
            
             5  
             | 
            
             19js6  
             | 
            
             28  
             | 
            
             6  
             | 
            
             21.5  
             | 
            
             128  
             | 
        
| 
             80  
             | 
            
             80  
             | 
            
             180  
             | 
            
             270  
             | 
            
             160  
             | 
            
             110  
             | 
            
             150  
             | 
            
             95  
             | 
            
             145  
             | 
            
             210  
             | 
            
             23  
             | 
            
             5  
             | 
            
             24js6  
             | 
            
             36  
             | 
            
             8  
             | 
            
             27  
             | 
            
             151  
             | 
        
| 
             100  
             | 
            
             100  
             | 
            
             220  
             | 
            
             325  
             | 
            
             200  
             | 
            
             125  
             | 
            
             190  
             | 
            
             110  
             | 
            
             185  
             | 
            
             240  
             | 
            
             23  
             | 
            
             5  
             | 
            
             28js6  
             | 
            
             42  
             | 
            
             8  
             | 
            
             31  
             | 
            
             182  
             | 
        
| 
             型號\尺寸 
             | 
            
             i≥16 
             | 
            
             d2 
             | 
            
             I2 
             | 
            
             b2 
             | 
            
             t2 
             | 
            
             L2 
             | 
            
             L3 
             | 
            
             L4 
             | 
            
             H 
             | 
            
             d3 
             | 
            
             kg(不含油) 
             | 
        ||||
| 
             d1 
             | 
            
             I1 
             | 
            
             b1 
             | 
            
             t1 
             | 
            
             L1 
             | 
        |||||||||||
| 
             63 
             | 
            
             19js6 
             | 
            
             28 
             | 
            
             6 
             | 
            
             21.5 
             | 
            
             128 
             | 
            
             32k6 
             | 
            
             58 
             | 
            
             10 
             | 
            
             35 
             | 
            
             135 
             | 
            
             97 
             | 
            
             70 
             | 
            
             75 
             | 
            
             M12 
             | 
            
             19 
             | 
        
| 
             80 
             | 
            
             24js6 
             | 
            
             36 
             | 
            
             8 
             | 
            
             27 
             | 
            
             151 
             | 
            
             38k6 
             | 
            
             58 
             | 
            
             10 
             | 
            
             41 
             | 
            
             143 
             | 
            
             110 
             | 
            
             81 
             | 
            
             80 
             | 
            
             M12 
             | 
            
             28 
             | 
        
| 
             100 
             | 
            
             24js6 
             | 
            
             36 
             | 
            
             8 
             | 
            
             27 
             | 
            
             176 
             | 
            
             42k6 
             | 
            
             82 
             | 
            
             12 
             | 
            
             45 
             | 
            
             182 
             | 
            
             130 
             | 
            
             95 
             | 
            
             95 
             | 
            
             M12 
             | 
            
             42.5 
             | 
        

| a | D | D1 | D2 | L3 | L4 | L5 | h | h1 | H | i≤12.5 | |||||
| d1 | I1 | b1 | t1 | L1 | |||||||||||
| 125 | 125 | 230 | 280 | 320 | 202 | 134 | 125 | 32 | 8 | 132 | 32k6 | 58 | 10 | 35 | 218 | 
| 160 | 160 | 300 | 360 | 400 | 245 | 157 | 142 | 32 | 8 | 160 | 42k6 | 82 | 12 | 45 | 277 | 
| 200 | 200 | 370 | 435 | 480 | 295 | 181 | 180 | 38 | 8 | 190 | 48k6 | 82 | 14 | 51.5 | 324 | 
| 250 | 250 | 470 | 540 | 600 | 360 | 210 | 210 | 40 | 8 | 212 | 55k6 | 82 | 16 | 59 | 380 | 
| 280 | 280 | 550 | 640 | 700 | 390 | 226 | 215 | 45 | 8 | 225 | 60m6 | 105 | 18 | 64 | 430 | 
| 315 | 315 | 605 | 700 | 760 | 430 | 243 | 235 | 50 | 10 | 250 | 65m6 | 105 | 18 | 69 | 470 | 
| 355 | 355 | 700 | 805 | 880 | 480 | 256 | 235 | 55 | 10 | 265 | 70m6 | 105 | 20 | 74.5 | 515 | 
| 400 | 400 | 765 | 875 | 950 | 515 | 278 | 247 | 60 | 10 | 265 | 75m6 | 105 | 20 | 79.5 | 545 | 
| 450 | 450 | 875 | 990 | 1070 | 565 | 300 | 275 | 65 | 10 | 315 | 80m6 | 130 | 22 | 85 | 625 | 
| 500 | 500 | 1000 | 1100 | 1180 | 655 | 344 | 300 | 75 | 10 | 375 | 90m6 | 130 | 25 | 95 | 680 | 
| 型號\尺寸 | i≥16 | d2 | I2 | b2 | t2 | L2 | I3 | 地腳螺栓 | kg(不含油) | ||||||
| d1 | I1 | b1 | t1 | L1 | d3 | n | |||||||||
| 125 | 28js6 | 42 | 8 | 31 | 202 | 55k6 | 82 | 16 | 59 | 222 | 14 | M12 | 4 | 95 | |
| 160 | 32k6 | 58 | 10 | 35 | 253 | 65m6 | 105 | 18 | 69 | 270 | 15 | M16 | 4 | 150 | |
| 200 | 38k6 | 58 | 10 | 41 | 300 | 80m6 | 130 | 22 | 85 | 325 | 17 | M16 | 4 | 270 | |
| 250 | 42k6 | 82 | 12 | 45 | 380 | 100m6 | 165 | 28 | 106 | 385 | 17 | M20 | 4 | 410 | |
| 280 | 48k6 | 82 | 14 | 51.5 | 407 | 110m6 | 165 | 28 | 116 | 405 | 17 | M24 | 4 | 550 | |
| 315 | 48k6 | 82 | 14 | 51.5 | 447 | 120m6 | 165 | 32 | 127 | 420 | 17 | M24 | 4 | 750 | |
| 355 | 55k6 | 82 | 16 | 59 | 492 | 130m6 | 200 | 32 | 137 | 470 | 17 | M30 | 4 | 930 | |
| 400 | 60m6 | 105 | 18 | 64 | 545 | 150m6 | 200 | 36 | 158 | 490 | 24 | M30 | 4 | 1200 | |
| 450 | 65m6 | 105 | 18 | 69 | 600 | 170m6 | 240 | 40 | 179 | 560 | 24 | M36 | 4 | 1650 | |
| 500 | 70m6 | 105 | 20 | 74.5 | 655 | 190m6 | 280 | 45 | 200 | 640 | 24 | M30 | 6 | 2190 | |
| 
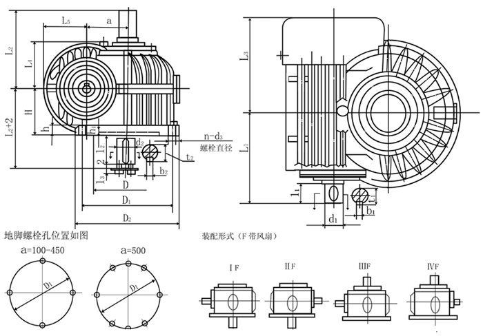
             型號\尺寸  
             | 
            
             a  
             | 
            
             D  
             | 
            
             D1  
             | 
            
             D2  
             | 
            
             L3  
             | 
            
             L4  
             | 
            
             L5  
             | 
            
             h  
             | 
            
             h1  
             | 
            
             H  
             | 
            
                       i≤12.5 
             | 
        ||||
| 
             d1  
             | 
            
             I1  
             | 
            
             b1  
             | 
            
             t1  
             | 
            
             L1  
             | 
        |||||||||||
| 
             125  
             | 
            
             125  
             | 
            
             230  
             | 
            
             280  
             | 
            
             320  
             | 
            
             202  
             | 
            
             134  
             | 
            
             125  
             | 
            
             32  
             | 
            
             8  
             | 
            
             132  
             | 
            
             32k6  
             | 
            
             58  
             | 
            
             10  
             | 
            
             35  
             | 
            
             218  
             | 
        
| 
             160  
             | 
            
             160  
             | 
            
             300  
             | 
            
             360  
             | 
            
             400  
             | 
            
             245  
             | 
            
             157  
             | 
            
             142  
             | 
            
             32  
             | 
            
             8  
             | 
            
             160  
             | 
            
             42k6  
             | 
            
             82  
             | 
            
             12  
             | 
            
             45  
             | 
            
             277  
             | 
        
| 
             200  
             | 
            
             200  
             | 
            
             370  
             | 
            
             435  
             | 
            
             480  
             | 
            
             295  
             | 
            
             181  
             | 
            
             180  
             | 
            
             38  
             | 
            
             8  
             | 
            
             190  
             | 
            
             48k6  
             | 
            
             82  
             | 
            
             14  
             | 
            
             51.5  
             | 
            
             324  
             | 
        
| 
             250  
             | 
            
             250  
             | 
            
             470  
             | 
            
             540  
             | 
            
             600  
             | 
            
             360  
             | 
            
             210  
             | 
            
             210  
             | 
            
             40  
             | 
            
             8  
             | 
            
             212  
             | 
            
             55k6  
             | 
            
             82  
             | 
            
             16  
             | 
            
             59  
             | 
            
             380  
             | 
        
| 
             280  
             | 
            
             280  
             | 
            
             550  
             | 
            
             640  
             | 
            
             700  
             | 
            
             390  
             | 
            
             226  
             | 
            
             215  
             | 
            
             45  
             | 
            
             8  
             | 
            
             225  
             | 
            
             60m6  
             | 
            
             105  
             | 
            
             18  
             | 
            
             64  
             | 
            
             430  
             | 
        
| 
             315  
             | 
            
             315  
             | 
            
             605  
             | 
            
             700  
             | 
            
             760  
             | 
            
             430  
             | 
            
             243  
             | 
            
             235  
             | 
            
             50  
             | 
            
             10  
             | 
            
             250  
             | 
            
             65m6  
             | 
            
             105  
             | 
            
             18  
             | 
            
             69  
             | 
            
             470  
             | 
        
| 
             355  
             | 
            
             355  
             | 
            
             700  
             | 
            
             805  
             | 
            
             880  
             | 
            
             480  
             | 
            
             256  
             | 
            
             235  
             | 
            
             55  
             | 
            
             10  
             | 
            
             265  
             | 
            
             70m6  
             | 
            
             105  
             | 
            
             20  
             | 
            
             74.5  
             | 
            
             515  
             | 
        
| 
             400  
             | 
            
             400  
             | 
            
             765  
             | 
            
             875  
             | 
            
             950  
             | 
            
             515  
             | 
            
             278  
             | 
            
             247  
             | 
            
             60  
             | 
            
             10  
             | 
            
             265  
             | 
            
             75m6  
             | 
            
             105  
             | 
            
             20  
             | 
            
             79.5  
             | 
            
             545  
             | 
        
| 
             450  
             | 
            
             450  
             | 
            
             875  
             | 
            
             990  
             | 
            
             1070  
             | 
            
             565  
             | 
            
             300  
             | 
            
             275  
             | 
            
             65  
             | 
            
             10  
             | 
            
             315  
             | 
            
             80m6  
             | 
            
             130  
             | 
            
             22  
             | 
            
             85  
             | 
            
             625  
             | 
        
| 
             500  
             | 
            
             500  
             | 
            
             1000  
             | 
            
             1100  
             | 
            
             1180  
             | 
            
             655  
             | 
            
             344  
             | 
            
             300  
             | 
            
             75  
             | 
            
             10  
             | 
            
             375  
             | 
            
             90m6  
             | 
            
             130  
             | 
            
             25  
             | 
            
             95  
             | 
            
             680  
             | 
        
| 
             型號\尺寸  
             | 
            
             i≥16  
             | 
            
             d2  
             | 
            
             I2  
             | 
            
             b2  
             | 
            
             t2  
             | 
            
             L2  
             | 
            
             I3  
             | 
            
             地腳螺栓  
             | 
            
             kg(不含油)  
             | 
        ||||||
| 
             d1  
             | 
            
             I1  
             | 
            
             b1  
             | 
            
             t1  
             | 
            
             L1  
             | 
            
             d3  
             | 
            
             n  
             | 
        |||||||||
| 
             125  
             | 
            
             28js6  
             | 
            
             42  
             | 
            
             8  
             | 
            
             31  
             | 
            
             202  
             | 
            
             55k6  
             | 
            
             82  
             | 
            
             16  
             | 
            
             59  
             | 
            
             222  
             | 
            
             14  
             | 
            
             M12 
             | 
            
             4  
             | 
            
             95  
             | 
        |
| 
             160  
             | 
            
             32k6  
             | 
            
             58  
             | 
            
             10  
             | 
            
             35  
             | 
            
             253  
             | 
            
             65m6  
             | 
            
             105  
             | 
            
             18  
             | 
            
             69  
             | 
            
             270  
             | 
            
             15  
             | 
            
             M16  
             | 
            
             4  
             | 
            
             150  
             | 
        |
| 
             200  
             | 
            
             38k6  
             | 
            
             58  
             | 
            
             10  
             | 
            
             41  
             | 
            
             300  
             | 
            
             80m6  
             | 
            
             130  
             | 
            
             22  
             | 
            
             85  
             | 
            
             325  
             | 
            
             17  
             | 
            
             M16  
             | 
            
             4  
             | 
            
             270  
             | 
        |
| 
             250  
             | 
            
             42k6  
             | 
            
             82  
             | 
            
             12  
             | 
            
             45  
             | 
            
             380  
             | 
            
             100m6  
             | 
            
             165  
             | 
            
             28  
             | 
            
             106  
             | 
            
             385  
             | 
            
             17  
             | 
            
             M20  
             | 
            
             4  
             | 
            
             410  
             | 
        |
| 
             280  
             | 
            
             48k6  
             | 
            
             82  
             | 
            
             14  
             | 
            
             51.5  
             | 
            
             407  
             | 
            
             110m6  
             | 
            
             165  
             | 
            
             28  
             | 
            
             116  
             | 
            
             405  
             | 
            
             17  
             | 
            
             M24  
             | 
            
             4  
             | 
            
             550  
             | 
        |
| 
             315  
             | 
            
             48k6  
             | 
            
             82  
             | 
            
             14  
             | 
            
             51.5  
             | 
            
             447  
             | 
            
             120m6  
             | 
            
             165  
             | 
            
             32  
             | 
            
             127  
             | 
            
             420  
             | 
            
             17  
             | 
            
             M24  
             | 
            
             4  
             | 
            
             750  
             | 
        |
| 
             355  
             | 
            
             55k6  
             | 
            
             82  
             | 
            
             16  
             | 
            
             59  
             | 
            
             492  
             | 
            
             130m6  
             | 
            
             200  
             | 
            
             32  
             | 
            
             137  
             | 
            
             470  
             | 
            
             17  
             | 
            
             M30  
             | 
            
             4  
             | 
            
             930  
             | 
        |
| 
             400  
             | 
            
             60m6  
             | 
            
             105  
             | 
            
             18  
             | 
            
             64  
             | 
            
             545  
             | 
            
             150m6  
             | 
            
             200  
             | 
            
             36  
             | 
            
             158  
             | 
            
             490  
             | 
            
             24  
             | 
            
             M30  
             | 
            
             4  
             | 
            
             1200  
             | 
        |
| 
             450  
             | 
            
             65m6  
             | 
            
             105  
             | 
            
             18  
             | 
            
             69  
             | 
            
             600  
             | 
            
             170m6  
             | 
            
             240  
             | 
            
             40  
             | 
            
             179  
             | 
            
             560  
             | 
            
             24  
             | 
            
             M36  
             | 
            
             4  
             | 
            
             1650  
             | 
        |
| 
             500  
             | 
            
             70m6  
             | 
            
             105  
             | 
            
             20  
             | 
            
             74.5  
             | 
            
             655  
             | 
            
             190m6  
             | 
            
             280  
             | 
            
             45  
             | 
            
             200  
             | 
            
             640  
             | 
            
             24  
             | 
            
             M30  
             | 
            
             6  
             | 
            
             2190  
             | 
        |

冀公網安備13092802000153號