
| 
             型號\尺寸 
             | 
            
             a 
             | 
            
             B1 
             | 
            
             B2 
             | 
            
             C1 
             | 
            
             C2 
             | 
            
             h 
             | 
            
             H 
             | 
            
             H1 
             | 
            
             d3 
             | 
            
             d1 
             | 
            
             l1 
             | 
            
             b1 
             | 
        
| 
             KWO32 
             | 
            
             32 
             | 
            
             97 
             | 
            
             88 
             | 
            
             75 
             | 
            
             75 
             | 
            
             10 
             | 
            
             90 
             | 
            
             126 
             | 
            
             M5 
             | 
            
             12j6 
             | 
            
             25 
             | 
            
             4 
             | 
        
| 
             KWO40 
             | 
            
             40 
             | 
            
             110 
             | 
            
             98 
             | 
            
             85 
             | 
            
             82 
             | 
            
             12 
             | 
            
             112 
             | 
            
             156 
             | 
            
             M6 
             | 
            
             14j6 
             | 
            
             25 
             | 
            
             5 
             | 
        
| 
             KWO50 
             | 
            
             50 
             | 
            
             130 
             | 
            
             120 
             | 
            
             100 
             | 
            
             100 
             | 
            
             15 
             | 
            
             132 
             | 
            
             189 
             | 
            
             M8 
             | 
            
             16j6 
             | 
            
             28 
             | 
            
             5 
             | 
        
| 
             KWO63 
             | 
            
             63 
             | 
            
             146 
             | 
            
             140 
             | 
            
             115 
             | 
            
             120 
             | 
            
             16 
             | 
            
             160 
             | 
            
             221 
             | 
            
             M10 
             | 
            
             18j6 
             | 
            
             28 
             | 
            
             6 
             | 
        
| 
             KWO80 
             | 
            
             80 
             | 
            
             175 
             | 
            
             170 
             | 
            
             140 
             | 
            
             145 
             | 
            
             20 
             | 
            
             200 
             | 
            
             270 
             | 
            
             M12 
             | 
            
             22j6 
             | 
            
             36 
             | 
            
             6 
             | 
        
| 
             KWO100 
             | 
            
             100 
             | 
            
             210 
             | 
            
             200 
             | 
            
             170 
             | 
            
             170 
             | 
            
             24 
             | 
            
             250 
             | 
            
             339 
             | 
            
             M12 
             | 
            
             24j6 
             | 
            
             36 
             | 
            
             8 
             | 
        
| 
             型號\尺寸 
             | 
            
             t1 
             | 
            
             L1 
             | 
            
             d2 
             | 
            
             l2 
             | 
            
             b2 
             | 
            
             t2 
             | 
            
             L2 
             | 
            
             L3 
             | 
            
             L4 
             | 
            
             質量(kg) 
            (不含油) 
             | 
        
| 
             KWO32 
             | 
            
             13.5 
             | 
            
             78 
             | 
            
             16j6 
             | 
            
             28 
             | 
            
             5 
             | 
            
             18 
             | 
            
             80 
             | 
            
             — 
             | 
            
             43 
             | 
            
             3.8 
             | 
        
| 
             KWO40 
             | 
            
             16 
             | 
            
             84 
             | 
            
             20j6 
             | 
            
             36 
             | 
            
             6 
             | 
            
             22.5 
             | 
            
             95 
             | 
            
             — 
             | 
            
             49 
             | 
            
             7.5 
             | 
        
| 
             KWO50 
             | 
            
             18 
             | 
            
             98 
             | 
            
             22j6 
             | 
            
             36 
             | 
            
             8 
             | 
            
             24.5 
             | 
            
             105 
             | 
            
             — 
             | 
            
             57 
             | 
            
             10 
             | 
        
| 
             KWO63 
             | 
            
             20.5 
             | 
            
             118 
             | 
            
             30j6 
             | 
            
             58 
             | 
            
             8 
             | 
            
             33 
             | 
            
             136 
             | 
            
             86 
             | 
            
             65 
             | 
            
             17 
             | 
        
| 
             KWO80 
             | 
            
             24.5 
             | 
            
             146 
             | 
            
             38k6 
             | 
            
             58 
             | 
            
             10 
             | 
            
             41 
             | 
            
             158 
             | 
            
             105 
             | 
            
             84 
             | 
            
             29.5 
             | 
        
| 
             KWO100 
             | 
            
             27 
             | 
            
             165 
             | 
            
             40k6 
             | 
            
             82 
             | 
            
             12 
             | 
            
             43 
             | 
            
             190 
             | 
            
             123 
             | 
            
             95 
             | 
            
             47 
             | 
        
 
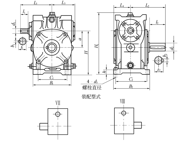
KWO蝸輪蝸桿減速機的外形、安裝尺寸和裝配型式 (mm)
| 
             型號\尺寸 
             | 
            
             a 
             | 
            
             B1 
             | 
            
             B2 
             | 
            
             C1 
             | 
            
             C2 
             | 
            
             h 
             | 
            
             H 
             | 
            
             H1 
             | 
            
             d3 
             | 
            
             d1 
             | 
            
             l1 
             | 
            
             b1 
             | 
        
| 
             KWO125 
             | 
            
             125 
             | 
            
             270 
             | 
            
             245 
             | 
            
             220 
             | 
            
             210 
             | 
            
             32 
             | 
            
             315 
             | 
            
             424 
             | 
            
             M16 
             | 
            
             32 k6 
             | 
            
             58 
             | 
            
             10 
             | 
        
| 
             KWO160 
             | 
            
             160 
             | 
            
             325 
             | 
            
             295 
             | 
            
             270 
             | 
            
             255 
             | 
            
             40 
             | 
            
             385 
             | 
            
             525 
             | 
            
             M16 
             | 
            
             42k6 
             | 
            
             82 
             | 
            
             12 
             | 
        
| 
             KWO180 
             | 
            
             180 
             | 
            
             368 
             | 
            
             325 
             | 
            
             290 
             | 
            
             280 
             | 
            
             45 
             | 
            
             435 
             | 
            
             595 
             | 
            
             M20 
             | 
            
             45k6 
             | 
            
             82 
             | 
            
             14 
             | 
        
| 
             KWO200 
             | 
            
             200 
             | 
            
             410 
             | 
            
             325 
             | 
            
             315 
             | 
            
             295 
             | 
            
             45 
             | 
            
             475 
             | 
            
             645 
             | 
            
             M20 
             | 
            
             48k6 
             | 
            
             82 
             | 
            
             14 
             | 
        
| 
             KWO225 
             | 
            
             225 
             | 
            
             450 
             | 
            
             380 
             | 
            
             350 
             | 
            
             325 
             | 
            
             55 
             | 
            
             530 
             | 
            
             720 
             | 
            
             M24 
             | 
            
             48k6 
             | 
            
             82 
             | 
            
             14 
             | 
        
| 
             KWO250 
             | 
            
             250 
             | 
            
             500 
             | 
            
             415 
             | 
            
             435 
             | 
            
             355 
             | 
            
             65 
             | 
            
             600 
             | 
            
             800 
             | 
            
             M24 
             | 
            
             55m6 
             | 
            
             82 
             | 
            
             16 
             | 
        
| 
             型號\尺寸 
             | 
            
             t1 
             | 
            
             L1 
             | 
            
             d2 
             | 
            
             l2 
             | 
            
             b2 
             | 
            
             t2 
             | 
            
             L2 
             | 
            
             L3 
             | 
            
             L4 
             | 
            
             質量(kg) 
            (不含油) 
             | 
        
| 
             KWO125 
             | 
            
             35 
             | 
            
             218 
             | 
            
             55m6 
             | 
            
             82 
             | 
            
             16 
             | 
            
             59 
             | 
            
             215 
             | 
            
             202 
             | 
            
             125 
             | 
            
             75 
             | 
        
| 
             KWO160 
             | 
            
             45 
             | 
            
             276 
             | 
            
             65m6 
             | 
            
             105 
             | 
            
             18 
             | 
            
             69 
             | 
            
             266 
             | 
            
             242 
             | 
            
             155 
             | 
            
             138 
             | 
        
| 
             KWO180 
             | 
            
             48.5 
             | 
            
             300 
             | 
            
             75m6 
             | 
            
             105 
             | 
            
             20 
             | 
            
             79.5 
             | 
            
             280 
             | 
            
             267 
             | 
            
             167 
             | 
            
             192 
             | 
        
| 
             KWO200 
             | 
            
             51.5 
             | 
            
             324 
             | 
            
             80m6 
             | 
            
             130 
             | 
            
             22 
             | 
            
             85 
             | 
            
             321 
             | 
            
             299 
             | 
            
             185 
             | 
            
             264 
             | 
        
| 
             KWO225 
             | 
            
             51.5 
             | 
            
             342 
             | 
            
             90m6 
             | 
            
             130 
             | 
            
             25 
             | 
            
             95 
             | 
            
             337 
             | 
            
             320 
             | 
            
             198 
             | 
            
             330 
             | 
        
| 
             KWO250 
             | 
            
             59 
             | 
            
             374 
             | 
            
             100m6 
             | 
            
             165 
             | 
            
             28 
             | 
            
             106 
             | 
            
             390 
             | 
            
             343 
             | 
            
             219 
             | 
            
             450 
             | 
        

冀公網安備13092802000153號