


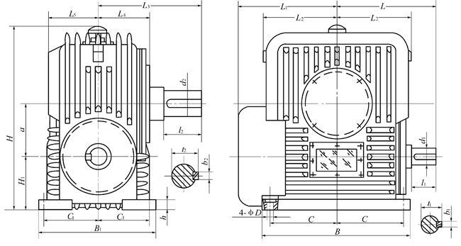
| 
             a 
             | 
            
             H1 
             | 
            
             B 
             | 
            
             B1 
             | 
            
             C 
             | 
            
             C1 
             | 
            
             D 
             | 
            
             H 
             | 
            
             L 
             | 
            
             L1 
             | 
            
             L2 
             | 
            
             L3 
             | 
            
             L4 
             | 
            
             L5 
             | 
            
             d1 
             | 
            
             b1 
             | 
            
             t1 
             | 
            
             l1 
             | 
            
             d2 
             | 
            
             b2 
             | 
            
             t2 
             | 
            
             l2 
             | 
            
             h 
             | 
        
| 
             80 
             | 
            
             100 
             | 
            
             250 
             | 
            
             190 
             | 
            
             112 
             | 
            
             80 
             | 
            
             14 
             | 
            
             315 
             | 
            
             160 
             | 
            
             160 
             | 
            
             125 
             | 
            
             180 
             | 
            
             100 
             | 
            
             90 
             | 
            
             25 
             | 
            
             8 
             | 
            
             28 
             | 
            
             42 
             | 
            
             45 
             | 
            
             14 
             | 
            
             48.5 
             | 
            
             82 
             | 
            
             30 
             | 
        
| 
             100 
             | 
            
             112 
             | 
            
             300 
             | 
            
             236 
             | 
            
             130 
             | 
            
             100 
             | 
            
             16 
             | 
            
             355 
             | 
            
             200 
             | 
            
             200 
             | 
            
             160 
             | 
            
             212 
             | 
            
             125 
             | 
            
             118 
             | 
            
             32 
             | 
            
             10 
             | 
            
             35 
             | 
            
             58 
             | 
            
             55 
             | 
            
             16 
             | 
            
             59 
             | 
            
             82 
             | 
            
             35 
             | 
        
| 
             125 
             | 
            
             125 
             | 
            
             355 
             | 
            
             280 
             | 
            
             160 
             | 
            
             125 
             | 
            
             18 
             | 
            
             450 
             | 
            
             236 
             | 
            
             236 
             | 
            
             190 
             | 
            
             250 
             | 
            
             150 
             | 
            
             140 
             | 
            
             38 
             | 
            
             10 
             | 
            
             41 
             | 
            
             58 
             | 
            
             65 
             | 
            
             18 
             | 
            
             69 
             | 
            
             105 
             | 
            
             38 
             | 
        
| 
             140 
             | 
            
             140 
             | 
            
             400 
             | 
            
             315 
             | 
            
             180 
             | 
            
             140 
             | 
            
             20 
             | 
            
             500 
             | 
            
             265 
             | 
            
             265 
             | 
            
             212 
             | 
            
             280 
             | 
            
             160 
             | 
            
             160 
             | 
            
             42 
             | 
            
             12 
             | 
            
             45 
             | 
            
             82 
             | 
            
             70 
             | 
            
             20 
             | 
            
             74.5 
             | 
            
             105 
             | 
            
             40 
             | 
        
| 
             160 
             | 
            
             160 
             | 
            
             450 
             | 
            
             355 
             | 
            
             200 
             | 
            
             160 
             | 
            
             21 
             | 
            
             560 
             | 
            
             300 
             | 
            
             300 
             | 
            
             236 
             | 
            
             315 
             | 
            
             190 
             | 
            
             180 
             | 
            
             48 
             | 
            
             14 
             | 
            
             51.5 
             | 
            
             82 
             | 
            
             80 
             | 
            
             22 
             | 
            
             85 
             | 
            
             130 
             | 
            
             42 
             | 
        
| 
             180 
             | 
            
             180 
             | 
            
             500 
             | 
            
             400 
             | 
            
             225 
             | 
            
             180 
             | 
            
             22 
             | 
            
             630 
             | 
            
             335 
             | 
            
             335 
             | 
            
             265 
             | 
            
             355 
             | 
            
             212 
             | 
            
             200 
             | 
            
             56 
             | 
            
             16 
             | 
            
             60 
             | 
            
             82 
             | 
            
             90 
             | 
            
             25 
             | 
            
             95 
             | 
            
             130 
             | 
            
             45 
             | 
        
| 
             200 
             | 
            
             200 
             | 
            
             560 
             | 
            
             450 
             | 
            
             250 
             | 
            
             200 
             | 
            
             24 
             | 
            
             710 
             | 
            
             355 
             | 
            
             355 
             | 
            
             300 
             | 
            
             400 
             | 
            
             236 
             | 
            
             224 
             | 
            
             60 
             | 
            
             18 
             | 
            
             64 
             | 
            
             105 
             | 
            
             100 
             | 
            
             28 
             | 
            
             106 
             | 
            
             165 
             | 
            
             50 
             | 
        
| 
             225 
             | 
            
             225 
             | 
            
             630 
             | 
            
             500 
             | 
            
             280 
             | 
            
             225 
             | 
            
             26 
             | 
            
             800 
             | 
            
             400 
             | 
            
             400 
             | 
            
             315 
             | 
            
             450 
             | 
            
             265 
             | 
            
             250 
             | 
            
             65 
             | 
            
             18 
             | 
            
             69 
             | 
            
             105 
             | 
            
             110 
             | 
            
             28 
             | 
            
             116 
             | 
            
             165 
             | 
            
             53 
             | 
        
| 
             250 
             | 
            
             250 
             | 
            
             670 
             | 
            
             530 
             | 
            
             300 
             | 
            
             250 
             | 
            
             28 
             | 
            
             850 
             | 
            
             450 
             | 
            
             450 
             | 
            
             355 
             | 
            
             500 
             | 
            
             280 
             | 
            
             280 
             | 
            
             70 
             | 
            
             20 
             | 
            
             74.5 
             | 
            
             105 
             | 
            
             125 
             | 
            
             32 
             | 
            
             132 
             | 
            
             165 
             | 
            
             56 
             | 
        
| 
             280 
             | 
            
             280 
             | 
            
             800 
             | 
            
             600 
             | 
            
             355 
             | 
            
             280 
             | 
            
             30 
             | 
            
             950 
             | 
            
             475 
             | 
            
             475 
             | 
            
             400 
             | 
            
             560 
             | 
            
             315 
             | 
            
             315 
             | 
            
             85 
             | 
            
             22 
             | 
            
             90 
             | 
            
             130 
             | 
            
             140 
             | 
            
             36 
             | 
            
             148 
             | 
            
             200 
             | 
            
             60 
             | 
        
| 
             315 
             | 
            
             315 
             | 
            
             900 
             | 
            
             670 
             | 
            
             375 
             | 
            
             315 
             | 
            
             32 
             | 
            
             1060 
             | 
            
             560 
             | 
            
             560 
             | 
            
             450 
             | 
            
             630 
             | 
            
             355 
             | 
            
             355 
             | 
            
             90 
             | 
            
             25 
             | 
            
             95 
             | 
            
             130 
             | 
            
             150 
             | 
            
             36 
             | 
            
             158 
             | 
            
             200 
             | 
            
             67 
             | 
        
| 
             355 
             | 
            
             355 
             | 
            
             1000 
             | 
            
             750 
             | 
            
             425 
             | 
            
             355 
             | 
            
             35 
             | 
            
             1250 
             | 
            
             670 
             | 
            
             670 
             | 
            
             500 
             | 
            
             710 
             | 
            
             400 
             | 
            
             400 
             | 
            
             100 
             | 
            
             28 
             | 
            
             106 
             | 
            
             165 
             | 
            
             170 
             | 
            
             40 
             | 
            
             179 
             | 
            
             240 
             | 
            
             75 
             | 
        


| 
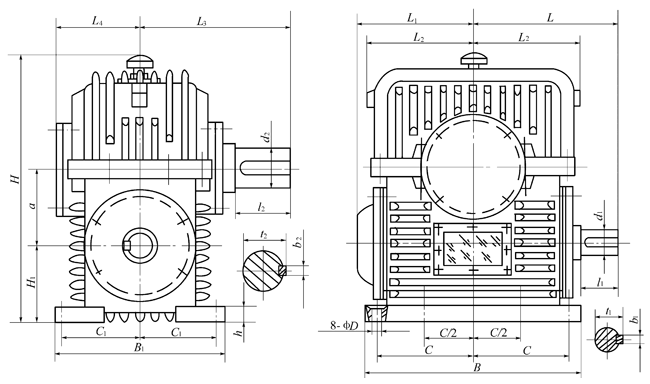
             a 
             | 
            
             H1 
             | 
            
             B 
             | 
            
             B1 
             | 
            
             C 
             | 
            
             C1 
             | 
            
             D 
             | 
            
             H 
             | 
            
             L 
             | 
            
             L1 
             | 
            
             L2 
             | 
            
             L3 
             | 
            
             L4 
             | 
            
             d1 
             | 
            
             b1 
             | 
            
             t1 
             | 
            
             l1 
             | 
            
             d2 
             | 
            
             b2 
             | 
            
             t2 
             | 
            
             l2 
             | 
            
             h 
             | 
        
| 
             400 
             | 
            
             355 
             | 
            
             900 
             | 
            
             800 
             | 
            
             400 
             | 
            
             355 
             | 
            
             35 
             | 
            
             1250 
             | 
            
             600 
             | 
            
             600 
             | 
            
             450 
             | 
            
             630 
             | 
            
             375 
             | 
            
             110 
             | 
            
             28 
             | 
            
             116 
             | 
            
             165 
             | 
            
             180 
             | 
            
             45 
             | 
            
             190 
             | 
            
             240 
             | 
            
             55 
             | 
        
| 
             450 
             | 
            
             400 
             | 
            
             1000 
             | 
            
             900 
             | 
            
             450 
             | 
            
             400 
             | 
            
             39 
             | 
            
             1400 
             | 
            
             670 
             | 
            
             670 
             | 
            
             500 
             | 
            
             710 
             | 
            
             425 
             | 
            
             125 
             | 
            
             32 
             | 
            
             132 
             | 
            
             165 
             | 
            
             200 
             | 
            
             45 
             | 
            
             210 
             | 
            
             280 
             | 
            
             60 
             | 
        
| 
             500 
             | 
            
             450 
             | 
            
             1120 
             | 
            
             1000 
             | 
            
             500 
             | 
            
             450 
             | 
            
             42 
             | 
            
             1600 
             | 
            
             750 
             | 
            
             750 
             | 
            
             560 
             | 
            
             800 
             | 
            
             475 
             | 
            
             130 
             | 
            
             32 
             | 
            
             137 
             | 
            
             200 
             | 
            
             220 
             | 
            
             50 
             | 
            
             231 
             | 
            
             280 
             | 
            
             65 
             | 
        
| 
             560 
             | 
            
             500 
             | 
            
             1250 
             | 
            
             1120 
             | 
            
             560 
             | 
            
             500 
             | 
            
             45 
             | 
            
             1800 
             | 
            
             850 
             | 
            
             850 
             | 
            
             630 
             | 
            
             900 
             | 
            
             530 
             | 
            
             150 
             | 
            
             36 
             | 
            
             158 
             | 
            
             200 
             | 
            
             250 
             | 
            
             56 
             | 
            
             262 
             | 
            
             330 
             | 
            
             72 
             | 
        
| 
             630 
             | 
            
             560 
             | 
            
             1400 
             | 
            
             1250 
             | 
            
             630 
             | 
            
             560 
             | 
            
             48 
             | 
            
             2000 
             | 
            
             950 
             | 
            
             950 
             | 
            
             710 
             | 
            
             1000 
             | 
            
             600 
             | 
            
             170 
             | 
            
             40 
             | 
            
             179 
             | 
            
             240 
             | 
            
             280 
             | 
            
             63 
             | 
            
             292 
             | 
            
             380 
             | 
            
             80 
             | 
        
| 
             710 
             | 
            
             630 
             | 
            
             1600 
             | 
            
             1400 
             | 
            
             710 
             | 
            
             630 
             | 
            
             52 
             | 
            
             2240 
             | 
            
             1060 
             | 
            
             1060 
             | 
            
             800 
             | 
            
             1250 
             | 
            
             670 
             | 
            
             190 
             | 
            
             45 
             | 
            
             200 
             | 
            
             280 
             | 
            
             320 
             | 
            
             70 
             | 
            
             334 
             | 
            
             380 
             | 
            
             88 
             | 
        

冀公網(wǎng)安備13092802000153號(hào)