

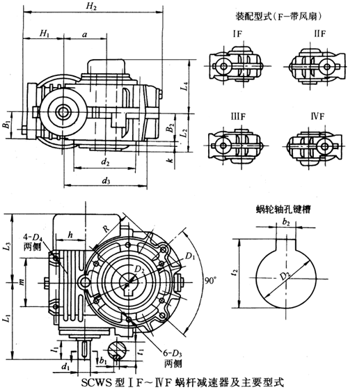
| 
             型號(hào)\尺寸 
             | 
            
             a 
             | 
            
             d3 
             | 
            
             i<16 
             | 
            
             i≥16 
             | 
            
             D2(H7) 
             | 
        ||||||||
| 
             d1(j6) 
             | 
            
             l1 
             | 
            
             b1 
             | 
            
             t1 
             | 
            
             L1 
             | 
            
             d1(j6) 
             | 
            
             l1 
             | 
            
             b1 
             | 
            
             t1 
             | 
            
             L1 
             | 
        ||||
| 
             SCWU63 
             | 
            
             63 
             | 
            
             150 
             | 
            
             19 
             | 
            
             28 
             | 
            
             6 
             | 
            
             21.5 
             | 
            
             128 
             | 
            
             19 
             | 
            
             28 
             | 
            
             6 
             | 
            
             21.5 
             | 
            
             128 
             | 
            
             30 
             | 
        
| 
             SCWU80 
             | 
            
             80 
             | 
            
             175 
             | 
            
             24 
             | 
            
             36 
             | 
            
             8 
             | 
            
             27 
             | 
            
             151 
             | 
            
             24 
             | 
            
             36 
             | 
            
             8 
             | 
            
             27 
             | 
            
             151 
             | 
            
             40 
             | 
        
| 
             SCWU100 
             | 
            
             100 
             | 
            
             218 
             | 
            
             28 
             | 
            
             42 
             | 
            
             8 
             | 
            
             31 
             | 
            
             182 
             | 
            
             24 
             | 
            
             36 
             | 
            
             8 
             | 
            
             27 
             | 
            
             176 
             | 
            
             50 
             | 
        
| 
             型號(hào)\尺寸 
             | 
            
             b2 
             | 
            
             t2 
             | 
            
             L2 
             | 
            
             L3 
             | 
            
             L4 
             | 
            
             H1 
             | 
            
             H2 
             | 
            
             D1 
             | 
            
             D3 
             | 
            
             B 
             | 
            
             d2(h8) 
             | 
            
             k 
             | 
            
             m/kg(不包括油) 
             | 
        
| 
             SCWU63 
             | 
            
             8 
             | 
            
             33.3 
             | 
            
             70 
             | 
            
             97 
             | 
            
             95 
             | 
            
             60 
             | 
            
             220 
             | 
            
             102 
             | 
            
             M8×16 
             | 
            
             63 
             | 
            
             80 
             | 
            
             3 
             | 
            
             17 
             | 
        
| 
             SCWU80 
             | 
            
             12 
             | 
            
             43.3 
             | 
            
             75 
             | 
            
             110 
             | 
            
             106 
             | 
            
             66 
             | 
            
             267 
             | 
            
             125 
             | 
            
             M8×16 
             | 
            
             69 
             | 
            
             100 
             | 
            
             3 
             | 
            
             24 
             | 
        
| 
             SCWU100 
             | 
            
             14 
             | 
            
             53.8 
             | 
            
             86 
             | 
            
             130 
             | 
            
             140 
             | 
            
             85 
             | 
            
             325 
             | 
            
             150 
             | 
            
             M10×20 
             | 
            
             80 
             | 
            
             120 
             | 
            
             3 
             | 
            
             41 
             | 
        

| 
             型號(hào)\尺寸 
             | 
            
             a 
             | 
            
             d3 
             | 
            
             i<16 
             | 
            
             i≥16 
             | 
            
             D2(H7) 
             | 
            
             b2 
             | 
            
             t2 
             | 
            
             L2 
             | 
        ||||||||
| 
             d1 
             | 
            
             l1 
             | 
            
             b1 
             | 
            
             t1 
             | 
            
             L1 
             | 
            
             d1 
             | 
            
             l1 
             | 
            
             b1 
             | 
            
             t1 
             | 
            
             L1 
             | 
        |||||||
| 
             SCWU 125 
             | 
            
             125 
             | 
            
             235 
             | 
            
             32k6 
             | 
            
             58 
             | 
            
             10 
             | 
            
             35 
             | 
            
             218 
             | 
            
             28j6 
             | 
            
             42 
             | 
            
             8 
             | 
            
             31 
             | 
            
             202 
             | 
            
             60 
             | 
            
             18 
             | 
            
             64.4 
             | 
            
             107 
             | 
        
| 
             SCWU 140 
             | 
            
             140 
             | 
            
             265 
             | 
            
             38k6 
             | 
            
             58 
             | 
            
             10 
             | 
            
             41 
             | 
            
             228 
             | 
            
             28j6 
             | 
            
             42 
             | 
            
             8 
             | 
            
             31 
             | 
            
             212 
             | 
            
             65 
             | 
            
             18 
             | 
            
             69.4 
             | 
            
             120 
             | 
        
| 
             SCWU160 
             | 
            
             160 
             | 
            
             300 
             | 
            
             42k6 
             | 
            
             82 
             | 
            
             12 
             | 
            
             45 
             | 
            
             277 
             | 
            
             32k6 
             | 
            
             58 
             | 
            
             10 
             | 
            
             35 
             | 
            
             253 
             | 
            
             79 
             | 
            
             20 
             | 
            
             74.9 
             | 
            
             125 
             | 
        
| 
             SCWU180 
             | 
            
             180 
             | 
            
             330 
             | 
            
             42k6 
             | 
            
             82 
             | 
            
             12 
             | 
            
             45 
             | 
            
             292 
             | 
            
             32k6 
             | 
            
             58 
             | 
            
             10 
             | 
            
             35 
             | 
            
             268 
             | 
            
             80 
             | 
            
             22 
             | 
            
             85.4 
             | 
            
             137.5 
             | 
        
| 
             SCWU200 
             | 
            
             200 
             | 
            
             365 
             | 
            
             48k6 
             | 
            
             82 
             | 
            
             14 
             | 
            
             51.5 
             | 
            
             324 
             | 
            
             38k6 
             | 
            
             58 
             | 
            
             10 
             | 
            
             41 
             | 
            
             300 
             | 
            
             85 
             | 
            
             22 
             | 
            
             90.4 
             | 
            
             143 
             | 
        
| 
             SCWU225 
             | 
            
             225 
             | 
            
             415 
             | 
            
             48k6 
             | 
            
             82 
             | 
            
             14 
             | 
            
             51.5 
             | 
            
             342 
             | 
            
             38k6 
             | 
            
             58 
             | 
            
             10 
             | 
            
             41 
             | 
            
             318 
             | 
            
             95 
             | 
            
             25 
             | 
            
             100.4 
             | 
            
             160 
             | 
        
| 
             SCWU250 
             | 
            
             250 
             | 
            
             475 
             | 
            
             55k6 
             | 
            
             82 
             | 
            
             16 
             | 
            
             59 
             | 
            
             380 
             | 
            
             42k6 
             | 
            
             82 
             | 
            
             12 
             | 
            
             45 
             | 
            
             380 
             | 
            
             105 
             | 
            
             28 
             | 
            
             111.4 
             | 
            
             168 
             | 
        
| 
             SCWU280 
             | 
            
             280 
             | 
            
             540 
             | 
            
             60m6 
             | 
            
             105 
             | 
            
             18 
             | 
            
             64 
             | 
            
             430 
             | 
            
             48k6 
             | 
            
             82 
             | 
            
             14 
             | 
            
             51.5 
             | 
            
             407 
             | 
            
             115 
             | 
            
             32 
             | 
            
             122.4 
             | 
            
             180 
             | 
        
| 
             SCWU315 
             | 
            
             315 
             | 
            
             600 
             | 
            
             65m6 
             | 
            
             105 
             | 
            
             18 
             | 
            
             69 
             | 
            
             470 
             | 
            
             48k6 
             | 
            
             82 
             | 
            
             14 
             | 
            
             51.5 
             | 
            
             447 
             | 
            
             125 
             | 
            
             32 
             | 
            
             132.4 
             | 
            
             200 
             | 
        
| 
             型號(hào)\尺寸 
             | 
            
             L3 
             | 
            
             L4 
             | 
            
             H1 
             | 
            
             H2 
             | 
            
             D1 
             | 
            
             D3 
             | 
            
             D4 
             | 
            
             B1 
             | 
            
             B2 
             | 
            
             m 
             | 
            
             R 
             | 
            
             h 
             | 
            
             d2(h8) 
             | 
            
             k 
             | 
            
             m/kg 
             | 
        
| 
             SCWU125 
             | 
            
             202 
             | 
            
             143 
             | 
            
             105 
             | 
            
             380 
             | 
            
             210 
             | 
            
             M12×24 
             | 
            
             13×35 
             | 
            
             84 
             | 
            
             84 
             | 
            
             145 
             | 
            
             135 
             | 
            
             80 
             | 
            
             180 
             | 
            
             10 
             | 
            
             80 
             | 
        
| 
             SCWU140 
             | 
            
             220 
             | 
            
             152 
             | 
            
             125 
             | 
            
             433 
             | 
            
             235 
             | 
            
             M12×24 
             | 
            
             13×35 
             | 
            
             95 
             | 
            
             95 
             | 
            
             160 
             | 
            
             150 
             | 
            
             105 
             | 
            
             200 
             | 
            
             10 
             | 
            
             108 
             | 
        
| 
             SCWU160 
             | 
            
             245 
             | 
            
             158 
             | 
            
             125 
             | 
            
             470 
             | 
            
             270 
             | 
            
             M12×24 
             | 
            
             13×35 
             | 
            
             95 
             | 
            
             95 
             | 
            
             170 
             | 
            
             170 
             | 
            
             95 
             | 
            
             220 
             | 
            
             10 
             | 
            
             138 
             | 
        
| 
             SCWU180 
             | 
            
             260 
             | 
            
             175 
             | 
            
             150 
             | 
            
             530 
             | 
            
             290 
             | 
            
             M16×30 
             | 
            
             17×45 
             | 
            
             110 
             | 
            
             110 
             | 
            
             200 
             | 
            
             190 
             | 
            
             125 
             | 
            
             245 
             | 
            
             12 
             | 
            
             183 
             | 
        
| 
             SCWU200 
             | 
            
             295 
             | 
            
             185 
             | 
            
             148 
             | 
            
             580 
             | 
            
             320 
             | 
            
             M16×30 
             | 
            
             17×45 
             | 
            
             115 
             | 
            
             115 
             | 
            
             250 
             | 
            
             213 
             | 
            
             110 
             | 
            
             245 
             | 
            
             12 
             | 
            
             243 
             | 
        
| 
             SCWU225 
             | 
            
             320 
             | 
            
             198 
             | 
            
             170 
             | 
            
             640 
             | 
            
             360 
             | 
            
             M16×30 
             | 
            
             17×45 
             | 
            
             130 
             | 
            
             130 
             | 
            
             280 
             | 
            
             235 
             | 
            
             145 
             | 
            
             265 
             | 
            
             12 
             | 
            
             286 
             | 
        
| 
             SCWU250 
             | 
            
             360 
             | 
            
             203 
             | 
            
             150 
             | 
            
             682 
             | 
            
             420 
             | 
            
             M16×30 
             | 
            
             17×45 
             | 
            
             135 
             | 
            
             135 
             | 
            
             320 
             | 
            
             265 
             | 
            
             125 
             | 
            
             280 
             | 
            
             12 
             | 
            
             350 
             | 
        
| 
             SCWU280 
             | 
            
             390 
             | 
            
             227 
             | 
            
             165 
             | 
            
             755 
             | 
            
             450 
             | 
            
             M20×38 
             | 
            
             21×55 
             | 
            
             150 
             | 
            
             150 
             | 
            
             380 
             | 
            
             295 
             | 
            
             130 
             | 
            
             350 
             | 
            
             14 
             | 
            
             483 
             | 
        
| 
             SCWU315 
             | 
            
             430 
             | 
            
             252 
             | 
            
             195 
             | 
            
             850 
             | 
            
             520 
             | 
            
             M20×38 
             | 
            
             21×55 
             | 
            
             170 
             | 
            
             170 
             | 
            
             410 
             | 
            
             340 
             | 
            
             150 
             | 
            
             380 
             | 
            
             15 
             | 
            
             655 
             | 
        

| 
             型號(hào)\尺寸 
             | 
            
             a 
             | 
            
             d3 
             | 
            
             i<16 
             | 
            
             i≥16 
             | 
            
             D2(H7) 
             | 
        ||||||||
| 
             d1(j6) 
             | 
            
             l1 
             | 
            
             b1 
             | 
            
             t1 
             | 
            
             L1 
             | 
            
             d1(j6) 
             | 
            
             l1 
             | 
            
             b1 
             | 
            
             t1 
             | 
            
             L1 
             | 
        ||||
| 
             SCWS63 
             | 
            
             63 
             | 
            
             150 
             | 
            
             19 
             | 
            
             28 
             | 
            
             6 
             | 
            
             21.5 
             | 
            
             128 
             | 
            
             19 
             | 
            
             28 
             | 
            
             6 
             | 
            
             21.5 
             | 
            
             128 
             | 
            
             30 
             | 
        
| 
             SCWS80 
             | 
            
             80 
             | 
            
             175 
             | 
            
             24 
             | 
            
             36 
             | 
            
             8 
             | 
            
             27 
             | 
            
             151 
             | 
            
             24 
             | 
            
             36 
             | 
            
             8 
             | 
            
             27 
             | 
            
             151 
             | 
            
             40 
             | 
        
| 
             SCWS100 
             | 
            
             100 
             | 
            
             218 
             | 
            
             28 
             | 
            
             42 
             | 
            
             8 
             | 
            
             31 
             | 
            
             182 
             | 
            
             24 
             | 
            
             36 
             | 
            
             8 
             | 
            
             27 
             | 
            
             176 
             | 
            
             50 
             | 
        
| 
             型號(hào)\尺寸 
             | 
            
             b2 
             | 
            
             t2 
             | 
            
             L2 
             | 
            
             L3 
             | 
            
             L4 
             | 
            
             H1 
             | 
            
             H2 
             | 
            
             D1 
             | 
            
             D3 
             | 
            
             B 
             | 
            
             d2 
             | 
            
             k 
             | 
            
             m/kg 
             | 
        
| 
             SCWS63 
             | 
            
             8 
             | 
            
             33.3 
             | 
            
             70 
             | 
            
             97 
             | 
            
             95 
             | 
            
             60 
             | 
            
             220 
             | 
            
             102 
             | 
            
             M8×16 
             | 
            
             63 
             | 
            
             80 
             | 
            
             3 
             | 
            
             17 
             | 
        
| 
             SCWS80 
             | 
            
             12 
             | 
            
             43.3 
             | 
            
             75 
             | 
            
             110 
             | 
            
             106 
             | 
            
             66 
             | 
            
             267 
             | 
            
             125 
             | 
            
             M8×16 
             | 
            
             69 
             | 
            
             100 
             | 
            
             3 
             | 
            
             24 
             | 
        
| 
             SCWS100 
             | 
            
             14 
             | 
            
             53.8 
             | 
            
             86 
             | 
            
             130 
             | 
            
             140 
             | 
            
             85 
             | 
            
             325 
             | 
            
             150 
             | 
            
             M10×20 
             | 
            
             80 
             | 
            
             120 
             | 
            
             3 
             | 
            
             41 
             | 
        

| 
             型號(hào)\尺寸 
             | 
            
             a 
             | 
            
             d3 
             | 
            
             i<16 
             | 
            
             i≥16 
             | 
            
             D2(H7) 
             | 
            
             b2 
             | 
            
             t2 
             | 
            
             L2 
             | 
        ||||||||
| 
             d1 
             | 
            
             l1 
             | 
            
             b1 
             | 
            
             t1 
             | 
            
             L1 
             | 
            
             d1 
             | 
            
             l1 
             | 
            
             b1 
             | 
            
             t1 
             | 
            
             L1 
             | 
        |||||||
| 
             SCWS125 
             | 
            
             125 
             | 
            
             235 
             | 
            
             32k6 
             | 
            
             58 
             | 
            
             10 
             | 
            
             35 
             | 
            
             218 
             | 
            
             28j6 
             | 
            
             42 
             | 
            
             8 
             | 
            
             31 
             | 
            
             202 
             | 
            
             60 
             | 
            
             18 
             | 
            
             64.4 
             | 
            
             107 
             | 
        
| 
             SCWS140 
             | 
            
             140 
             | 
            
             265 
             | 
            
             38k6 
             | 
            
             58 
             | 
            
             10 
             | 
            
             41 
             | 
            
             228 
             | 
            
             28j6 
             | 
            
             42 
             | 
            
             8 
             | 
            
             31 
             | 
            
             212 
             | 
            
             65 
             | 
            
             18 
             | 
            
             69.4 
             | 
            
             120 
             | 
        
| 
             SCWS160 
             | 
            
             160 
             | 
            
             300 
             | 
            
             42k6 
             | 
            
             82 
             | 
            
             12 
             | 
            
             45 
             | 
            
             277 
             | 
            
             32k6 
             | 
            
             58 
             | 
            
             10 
             | 
            
             35 
             | 
            
             253 
             | 
            
             70 
             | 
            
             20 
             | 
            
             74.9 
             | 
            
             125 
             | 
        
| 
             SCWS180 
             | 
            
             180 
             | 
            
             330 
             | 
            
             42k6 
             | 
            
             82 
             | 
            
             12 
             | 
            
             45 
             | 
            
             292 
             | 
            
             32k6 
             | 
            
             58 
             | 
            
             10 
             | 
            
             35 
             | 
            
             268 
             | 
            
             80 
             | 
            
             22 
             | 
            
             85.4 
             | 
            
             137.5 
             | 
        
| 
             SCWS200 
             | 
            
             200 
             | 
            
             365 
             | 
            
             48k6 
             | 
            
             82 
             | 
            
             14 
             | 
            
             51.5 
             | 
            
             324 
             | 
            
             38k6 
             | 
            
             58 
             | 
            
             10 
             | 
            
             41 
             | 
            
             300 
             | 
            
             85 
             | 
            
             22 
             | 
            
             90.4 
             | 
            
             143 
             | 
        
| 
             SCWS225 
             | 
            
             225 
             | 
            
             415 
             | 
            
             48k6 
             | 
            
             82 
             | 
            
             14 
             | 
            
             51.5 
             | 
            
             342 
             | 
            
             38k6 
             | 
            
             58 
             | 
            
             10 
             | 
            
             41 
             | 
            
             318 
             | 
            
             95 
             | 
            
             25 
             | 
            
             100.4 
             | 
            
             160 
             | 
        
| 
             SCWS250 
             | 
            
             250 
             | 
            
             475 
             | 
            
             55k6 
             | 
            
             82 
             | 
            
             16 
             | 
            
             59 
             | 
            
             380 
             | 
            
             42k6 
             | 
            
             82 
             | 
            
             12 
             | 
            
             45 
             | 
            
             380 
             | 
            
             105 
             | 
            
             28 
             | 
            
             111.4 
             | 
            
             168 
             | 
        
| 
             SCWS280 
             | 
            
             280 
             | 
            
             540 
             | 
            
             60m6 
             | 
            
             105 
             | 
            
             18 
             | 
            
             64 
             | 
            
             430 
             | 
            
             48k6 
             | 
            
             82 
             | 
            
             14 
             | 
            
             51.5 
             | 
            
             407 
             | 
            
             115 
             | 
            
             32 
             | 
            
             122.4 
             | 
            
             180 
             | 
        
| 
             SCWS315 
             | 
            
             315 
             | 
            
             600 
             | 
            
             65m6 
             | 
            
             105 
             | 
            
             18 
             | 
            
             69 
             | 
            
             470 
             | 
            
             48k6 
             | 
            
             82 
             | 
            
             14 
             | 
            
             51.5 
             | 
            
             447 
             | 
            
             125 
             | 
            
             32 
             | 
            
             132.4 
             | 
            
             200 
             | 
        
| 
             型號(hào)\尺寸 
             | 
            
             L3 
             | 
            
             L4 
             | 
            
             H1 
             | 
            
             H2 
             | 
            
             D1 
             | 
            
             D3 
             | 
            
             D4 
             | 
            
             B1 
             | 
            
             B2 
             | 
            
             m 
             | 
            
             R 
             | 
            
             h 
             | 
            
             d2(h8) 
             | 
            
             k 
             | 
            
             m/kg 
             | 
        
| 
             SCWS125 
             | 
            
             202 
             | 
            
             143 
             | 
            
             105 
             | 
            
             380 
             | 
            
             210 
             | 
            
             M12×24 
             | 
            
             13×35 
             | 
            
             84 
             | 
            
             84 
             | 
            
             145 
             | 
            
             135 
             | 
            
             80 
             | 
            
             180 
             | 
            
             10 
             | 
            
             80 
             | 
        
| 
             SCWS140 
             | 
            
             220 
             | 
            
             152 
             | 
            
             125 
             | 
            
             433 
             | 
            
             235 
             | 
            
             M12×24 
             | 
            
             13×35 
             | 
            
             95 
             | 
            
             95 
             | 
            
             160 
             | 
            
             150 
             | 
            
             105 
             | 
            
             200 
             | 
            
             10 
             | 
            
             108 
             | 
        
| 
             SCWS160 
             | 
            
             245 
             | 
            
             158 
             | 
            
             125 
             | 
            
             470 
             | 
            
             270 
             | 
            
             M12×24 
             | 
            
             13×35 
             | 
            
             95 
             | 
            
             95 
             | 
            
             170 
             | 
            
             170 
             | 
            
             95 
             | 
            
             220 
             | 
            
             10 
             | 
            
             138 
             | 
        
| 
             SCWS180 
             | 
            
             260 
             | 
            
             175 
             | 
            
             150 
             | 
            
             530 
             | 
            
             290 
             | 
            
             M16×30 
             | 
            
             17×45 
             | 
            
             110 
             | 
            
             110 
             | 
            
             200 
             | 
            
             190 
             | 
            
             125 
             | 
            
             245 
             | 
            
             12 
             | 
            
             183 
             | 
        
| 
             SCWS200 
             | 
            
             295 
             | 
            
             185 
             | 
            
             148 
             | 
            
             580 
             | 
            
             320 
             | 
            
             M16×30 
             | 
            
             17×45 
             | 
            
             115 
             | 
            
             115 
             | 
            
             250 
             | 
            
             213 
             | 
            
             110 
             | 
            
             245 
             | 
            
             12 
             | 
            
             243 
             | 
        
| 
             SCWS225 
             | 
            
             320 
             | 
            
             198 
             | 
            
             170 
             | 
            
             640 
             | 
            
             360 
             | 
            
             M16×30 
             | 
            
             17×45 
             | 
            
             130 
             | 
            
             130 
             | 
            
             280 
             | 
            
             235 
             | 
            
             145 
             | 
            
             265 
             | 
            
             12 
             | 
            
             286 
             | 
        
| 
             SCWS250 
             | 
            
             360 
             | 
            
             203 
             | 
            
             150 
             | 
            
             682 
             | 
            
             420 
             | 
            
             M16×30 
             | 
            
             17×45 
             | 
            
             135 
             | 
            
             135 
             | 
            
             320 
             | 
            
             265 
             | 
            
             125 
             | 
            
             280 
             | 
            
             12 
             | 
            
             350 
             | 
        
| 
             SCWS280 
             | 
            
             390 
             | 
            
             227 
             | 
            
             165 
             | 
            
             755 
             | 
            
             450 
             | 
            
             M20×38 
             | 
            
             21×55 
             | 
            
             150 
             | 
            
             150 
             | 
            
             380 
             | 
            
             295 
             | 
            
             130 
             | 
            
             350 
             | 
            
             14 
             | 
            
             483 
             | 
        
| 
             SCWS315 
             | 
            
             430 
             | 
            
             252 
             | 
            
             195 
             | 
            
             850 
             | 
            
             520 
             | 
            
             M20×38 
             | 
            
             21×55 
             | 
            
             170 
             | 
            
             170 
             | 
            
             410 
             | 
            
             340 
             | 
            
             150 
             | 
            
             380 
             | 
            
             15 
             | 
            
             655 
             | 
        

| 
             型號(hào)\尺寸 
             | 
            
             a 
             | 
            
             d3 
             | 
            
             i<16 
             | 
            
             i≥16 
             | 
            
             D2(H7) 
             | 
        ||||||||
| 
             d1(j6) 
             | 
            
             l1 
             | 
            
             b1 
             | 
            
             t1 
             | 
            
             L1 
             | 
            
             d1(j6) 
             | 
            
             l1 
             | 
            
             b1 
             | 
            
             t1 
             | 
            
             L1 
             | 
        ||||
| 
             SCWO 63 
             | 
            
             63 
             | 
            
             150 
             | 
            
             19 
             | 
            
             28 
             | 
            
             6 
             | 
            
             21.5 
             | 
            
             128 
             | 
            
             19 
             | 
            
             28 
             | 
            
             6 
             | 
            
             21.5 
             | 
            
             128 
             | 
            
             30 
             | 
        
| 
             SCWO80 
             | 
            
             80 
             | 
            
             175 
             | 
            
             24 
             | 
            
             36 
             | 
            
             8 
             | 
            
             27 
             | 
            
             151 
             | 
            
             24 
             | 
            
             36 
             | 
            
             8 
             | 
            
             27 
             | 
            
             151 
             | 
            
             40 
             | 
        
| 
             SCWO100 
             | 
            
             100 
             | 
            
             218 
             | 
            
             28 
             | 
            
             42 
             | 
            
             8 
             | 
            
             31 
             | 
            
             182 
             | 
            
             24 
             | 
            
             36 
             | 
            
             8 
             | 
            
             27 
             | 
            
             176 
             | 
            
             50 
             | 
        
| 
             型號(hào)\尺寸 
             | 
            
             b2 
             | 
            
             t2 
             | 
            
             L2 
             | 
            
             L3 
             | 
            
             L4 
             | 
            
             H1 
             | 
            
             H2 
             | 
            
             D1 
             | 
            
             D3 
             | 
            
             B 
             | 
            
             d2(h8) 
             | 
            
             k 
             | 
            
             m/kg 
             | 
        
| 
             SCWO 63 
             | 
            
             8 
             | 
            
             33.3 
             | 
            
             70 
             | 
            
             97 
             | 
            
             95 
             | 
            
             60 
             | 
            
             220 
             | 
            
             102 
             | 
            
             M8×16 
             | 
            
             63 
             | 
            
             80 
             | 
            
             3 
             | 
            
             17 
             | 
        
| 
             SCWO80 
             | 
            
             12 
             | 
            
             43.3 
             | 
            
             75 
             | 
            
             110 
             | 
            
             106 
             | 
            
             66 
             | 
            
             267 
             | 
            
             125 
             | 
            
             M8×16 
             | 
            
             69 
             | 
            
             100 
             | 
            
             3 
             | 
            
             24 
             | 
        
| 
             SCWO100 
             | 
            
             14 
             | 
            
             53.8 
             | 
            
             86 
             | 
            
             130 
             | 
            
             140 
             | 
            
             85 
             | 
            
             325 
             | 
            
             150 
             | 
            
             M10×20 
             | 
            
             80 
             | 
            
             120 
             | 
            
             3 
             | 
            
             41 
             | 
        

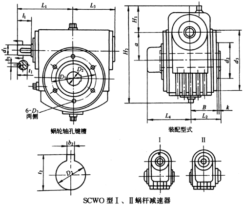
SCWO型ⅠF、ⅡF蝸桿減速器及裝配型式 /mm
| 
             型號(hào)\尺寸 
             | 
            
             a 
             | 
            
             d3 
             | 
            
             i<16 
             | 
            
             i≥16 
             | 
            
             D2(H7) 
             | 
            
             b2 
             | 
            
             t2 
             | 
            
             L2 
             | 
        ||||||||
| 
             d1 
             | 
            
             l1 
             | 
            
             b1 
             | 
            
             t1 
             | 
            
             L1 
             | 
            
             d1 
             | 
            
             l1 
             | 
            
             b1 
             | 
            
             t1 
             | 
            
             L1 
             | 
        |||||||
| 
             SCWO125 
             | 
            
             125 
             | 
            
             235 
             | 
            
             32k6 
             | 
            
             58 
             | 
            
             10 
             | 
            
             35 
             | 
            
             218 
             | 
            
             28j6 
             | 
            
             42 
             | 
            
             8 
             | 
            
             31 
             | 
            
             202 
             | 
            
             60 
             | 
            
             18 
             | 
            
             64.4 
             | 
            
             107 
             | 
        
| 
             SCWO140 
             | 
            
             140 
             | 
            
             265 
             | 
            
             38k6 
             | 
            
             58 
             | 
            
             10 
             | 
            
             41 
             | 
            
             228 
             | 
            
             28j6 
             | 
            
             42 
             | 
            
             8 
             | 
            
             31 
             | 
            
             212 
             | 
            
             65 
             | 
            
             18 
             | 
            
             69.4 
             | 
            
             120 
             | 
        
| 
             SCWO160 
             | 
            
             160 
             | 
            
             300 
             | 
            
             42k6 
             | 
            
             82 
             | 
            
             12 
             | 
            
             45 
             | 
            
             277 
             | 
            
             32k6 
             | 
            
             58 
             | 
            
             10 
             | 
            
             35 
             | 
            
             253 
             | 
            
             70 
             | 
            
             20 
             | 
            
             74.9 
             | 
            
             125 
             | 
        
| 
             SCWO180 
             | 
            
             180 
             | 
            
             330 
             | 
            
             42k6 
             | 
            
             82 
             | 
            
             12 
             | 
            
             45 
             | 
            
             292 
             | 
            
             32k6 
             | 
            
             58 
             | 
            
             10 
             | 
            
             35 
             | 
            
             268 
             | 
            
             80 
             | 
            
             22 
             | 
            
             85.4 
             | 
            
             137.5 
             | 
        
| 
             SCWO200 
             | 
            
             200 
             | 
            
             365 
             | 
            
             48k6 
             | 
            
             82 
             | 
            
             14 
             | 
            
             51.5 
             | 
            
             324 
             | 
            
             38k6 
             | 
            
             58 
             | 
            
             10 
             | 
            
             41 
             | 
            
             300 
             | 
            
             85 
             | 
            
             22 
             | 
            
             90.4 
             | 
            
             143 
             | 
        
| 
             SCWO225 
             | 
            
             225 
             | 
            
             415 
             | 
            
             48k6 
             | 
            
             82 
             | 
            
             14 
             | 
            
             51.5 
             | 
            
             342 
             | 
            
             38k6 
             | 
            
             58 
             | 
            
             10 
             | 
            
             41 
             | 
            
             318 
             | 
            
             95 
             | 
            
             25 
             | 
            
             100.4 
             | 
            
             160 
             | 
        
| 
             SCWO250 
             | 
            
             250 
             | 
            
             475 
             | 
            
             55k6 
             | 
            
             82 
             | 
            
             16 
             | 
            
             59 
             | 
            
             380 
             | 
            
             42k6 
             | 
            
             82 
             | 
            
             12 
             | 
            
             45 
             | 
            
             380 
             | 
            
             105 
             | 
            
             28 
             | 
            
             111.4 
             | 
            
             168 
             | 
        
| 
             SCWO280 
             | 
            
             280 
             | 
            
             540 
             | 
            
             60m6 
             | 
            
             105 
             | 
            
             18 
             | 
            
             64 
             | 
            
             430 
             | 
            
             48k6 
             | 
            
             82 
             | 
            
             14 
             | 
            
             51.5 
             | 
            
             407 
             | 
            
             115 
             | 
            
             32 
             | 
            
             122.4 
             | 
            
             180 
             | 
        
| 
             SCWO315 
             | 
            
             315 
             | 
            
             600 
             | 
            
             65m6 
             | 
            
             105 
             | 
            
             18 
             | 
            
             69 
             | 
            
             470 
             | 
            
             48k6 
             | 
            
             82 
             | 
            
             14 
             | 
            
             51.5 
             | 
            
             447 
             | 
            
             125 
             | 
            
             32 
             | 
            
             132.4 
             | 
            
             200 
             | 
        
| 
             型號(hào)\尺寸 
             | 
            
             a 
             | 
            
             d3 
             | 
            
             i<16 
             | 
            
             i≥16 
             | 
            
             D2(H7) 
             | 
            
             b2 
             | 
            
             t2 
             | 
            
             L2 
             | 
        ||||||||
| 
             d1 
             | 
            
             l1 
             | 
            
             b1 
             | 
            
             t1 
             | 
            
             L1 
             | 
            
             d1 
             | 
            
             l1 
             | 
            
             b1 
             | 
            
             t1 
             | 
            
             L1 
             | 
        |||||||
| 
             SCWO125 
             | 
            
             125 
             | 
            
             235 
             | 
            
             32k6 
             | 
            
             58 
             | 
            
             10 
             | 
            
             35 
             | 
            
             218 
             | 
            
             28j6 
             | 
            
             42 
             | 
            
             8 
             | 
            
             31 
             | 
            
             202 
             | 
            
             60 
             | 
            
             18 
             | 
            
             64.4 
             | 
            
             107 
             | 
        
| 
             SCWO140 
             | 
            
             140 
             | 
            
             265 
             | 
            
             38k6 
             | 
            
             58 
             | 
            
             10 
             | 
            
             41 
             | 
            
             228 
             | 
            
             28j6 
             | 
            
             42 
             | 
            
             8 
             | 
            
             31 
             | 
            
             212 
             | 
            
             65 
             | 
            
             18 
             | 
            
             69.4 
             | 
            
             120 
             | 
        
| 
             SCWO160 
             | 
            
             160 
             | 
            
             300 
             | 
            
             42k6 
             | 
            
             82 
             | 
            
             12 
             | 
            
             45 
             | 
            
             277 
             | 
            
             32k6 
             | 
            
             58 
             | 
            
             10 
             | 
            
             35 
             | 
            
             253 
             | 
            
             70 
             | 
            
             20 
             | 
            
             74.9 
             | 
            
             125 
             | 
        
| 
             SCWO180 
             | 
            
             180 
             | 
            
             330 
             | 
            
             42k6 
             | 
            
             82 
             | 
            
             12 
             | 
            
             45 
             | 
            
             292 
             | 
            
             32k6 
             | 
            
             58 
             | 
            
             10 
             | 
            
             35 
             | 
            
             268 
             | 
            
             80 
             | 
            
             22 
             | 
            
             85.4 
             | 
            
             137.5 
             | 
        
| 
             SCWO200 
             | 
            
             200 
             | 
            
             365 
             | 
            
             48k6 
             | 
            
             82 
             | 
            
             14 
             | 
            
             51.5 
             | 
            
             324 
             | 
            
             38k6 
             | 
            
             58 
             | 
            
             10 
             | 
            
             41 
             | 
            
             300 
             | 
            
             85 
             | 
            
             22 
             | 
            
             90.4 
             | 
            
             143 
             | 
        
| 
             SCWO225 
             | 
            
             225 
             | 
            
             415 
             | 
            
             48k6 
             | 
            
             82 
             | 
            
             14 
             | 
            
             51.5 
             | 
            
             342 
             | 
            
             38k6 
             | 
            
             58 
             | 
            
             10 
             | 
            
             41 
             | 
            
             318 
             | 
            
             95 
             | 
            
             25 
             | 
            
             100.4 
             | 
            
             160 
             | 
        
| 
             SCWO250 
             | 
            
             250 
             | 
            
             475 
             | 
            
             55k6 
             | 
            
             82 
             | 
            
             16 
             | 
            
             59 
             | 
            
             380 
             | 
            
             42k6 
             | 
            
             82 
             | 
            
             12 
             | 
            
             45 
             | 
            
             380 
             | 
            
             105 
             | 
            
             28 
             | 
            
             111.4 
             | 
            
             168 
             | 
        
| 
             SCWO280 
             | 
            
             280 
             | 
            
             540 
             | 
            
             60m6 
             | 
            
             105 
             | 
            
             18 
             | 
            
             64 
             | 
            
             430 
             | 
            
             48k6 
             | 
            
             82 
             | 
            
             14 
             | 
            
             51.5 
             | 
            
             407 
             | 
            
             115 
             | 
            
             32 
             | 
            
             122.4 
             | 
            
             180 
             | 
        
| 
             SCWO315 
             | 
            
             315 
             | 
            
             600 
             | 
            
             65m6 
             | 
            
             105 
             | 
            
             18 
             | 
            
             69 
             | 
            
             470 
             | 
            
             48k6 
             | 
            
             82 
             | 
            
             14 
             | 
            
             51.5 
             | 
            
             447 
             | 
            
             125 
             | 
            
             32 
             | 
            
             132.4 
             | 
            
             200 
             | 
        

冀公網(wǎng)安備13092802000153號(hào)