

| 
             型號 
             | 
            
             SWL2.5 
             | 
            
             SWL5 
             | 
            
             SWL 10/15 
             | 
            
             SWL20 
             | 
            
             SWL25 
             | 
            
             SWL35 
             | 
            
             SWL50 
             | 
            
             SWL100 
             | 
            
             SWL120 
             | 
        
| 
             絲桿升降機最大起升力,KN 
             | 
            
             25 
             | 
            
             50 
             | 
            
             100/150 
             | 
            
             200 
             | 
            
             250 
             | 
            
             350 
             | 
            
             500 
             | 
            
             1000 
             | 
            
             1200 
             | 
        
| 
             絲桿升降機最大拉力,KN 
             | 
            
             25 
             | 
            
             50 
             | 
            
             99 
             | 
            
             166 
             | 
            
             250 
             | 
            
             350 
             | 
            
             500 
             | 
            
             1000 
             | 
            
             1200 
             | 
        
| 
             絲桿升降機絲杠螺紋尺寸 
             | 
            
             Tr30×6 
             | 
            
             Tr40×7 
             | 
            
             Tr58×12 
             | 
            
             Tr65×12 
             | 
            
             Tr90×16 
             | 
            
             Tr100×18 
             | 
            
             Tr120×20 
             | 
            
             Tr160×23 
             | 
            
             Tr180×25 
             | 
        
| 
             蝸輪蝸桿傳動比(P) 
             | 
            
             普通6:1 
             | 
            
             6:1 
             | 
            
             72/3:1 
             | 
            
             8:1 
             | 
            
             102/3:1 
             | 
            
             102/3:1 
             | 
            
             11:1 
             | 
            
             12:1 
             | 
            
             12:1 
             | 
        
| 
             蝸桿每轉行程,mm 
             | 
            
             1.0 
             | 
            
             1.17 
             | 
            
             1.56 
             | 
            
             1.5 
             | 
            
             1.5 
             | 
            
             1.5 
             | 
            
             1.818 
             | 
            
             1.916 
             | 
            
             2.083 
             | 
        
| 
             蝸輪蝸桿傳動比(M) 
             | 
            
             24:1 
             | 
            
             24:1 
             | 
            
             24:1 
             | 
            
             24:1 
             | 
            
             32:1 
             | 
            
             32:1 
             | 
            
             32:1 
             | 
            
             36:1 
             | 
            
             36:1 
             | 
        
| 
             蝸桿每轉行程,mm 
             | 
            
             0.250 
             | 
            
             0.292 
             | 
            
             0.5 
             | 
            
             0.5 
             | 
            
             0.5 
             | 
            
             0.5 
             | 
            
             0.625 
             | 
            
             0.638 
             | 
            
             0.694 
             | 
        
| 
             蝸桿傳動比(P) 
             | 
            
             6:1 
             | 
            
             6:1 
             | 
            
             72/3:1 
             | 
            
             8:1 
             | 
            
             102/3:1 
             | 
            
             102/3:1 
             | 
            
             11:1 
             | 
            
             12:1 
             | 
            
             12:1 
             | 
        
| 
             絲桿升降機滿負荷蝸桿扭距N•m 
             | 
            
             18.6 
             | 
            
             39.5 
             | 
            
             119/179 
             | 
            
             240 
             | 
            
             366 
             | 
            
             600 
             | 
            
             970 
             | 
            
             2323 
             | 
            
             3316 
             | 
        
| 
             蝸輪蝸桿傳動比(M) 
             | 
            
             24:1 
             | 
            
             24:1 
             | 
            
             24:1 
             | 
            
             24:1 
             | 
            
             32:1 
             | 
            
             32:1 
             | 
            
             32:1 
             | 
            
             36:1 
             | 
            
             36:1 
             | 
        
| 
             滿負荷蝸桿扭距N•m 
             | 
            
             8.86 
             | 
            
             19.8 
             | 
            
             60/90 
             | 
            
             122 
             | 
            
             217 
             | 
            
             340 
             | 
            
             425 
             | 
            
             997 
             | 
            
             1658 
             | 
        
| 
             絲桿升降機絲桿最大軸伸長度 
             | 
            
             1500 
             | 
            
             2000 
             | 
            
             2500 
             | 
            
             3000 
             | 
            
             3500 
             | 
            
             4000 
             | 
            
             5500 
             | 
            
             6500 
             | 
            
             7000 
             | 
        
| 
             絲桿升降機最大許用功率/kW 
             | 
            
             0.55 
             | 
            
             1.1 
             | 
            
             2.6 
             | 
            
             3.7 
             | 
            
             4.8 
             | 
            
             6.0 
             | 
            
             7.5 
             | 
            
             15 
             | 
            
             17.5 
             | 
        
| 
             普通比(P)總效率% 
             | 
            
             23 
             | 
            
             21 
             | 
            
             23 
             | 
            
             21 
             | 
            
             19 
             | 
            
             18 
             | 
            
             15 
             | 
            
             13 
             | 
            
             12 
             | 
        
| 
             慢速比(M)總效率% 
             | 
            
             14 
             | 
            
             12 
             | 
            
             15 
             | 
            
             13 
             | 
            
             11 
             | 
            
             11 
             | 
            
             11 
             | 
            
             10 
             | 
            
             8 
             | 
        
| 
             潤滑油量,kg 
             | 
            
             0.1 
             | 
            
             0.25 
             | 
            
             0.5 
             | 
            
             0.75 
             | 
            
             1.1 
             | 
            
             1.9 
             | 
            
             2 
             | 
            
             2.5 
             | 
            
             2.5 
             | 
        
| 
             不加行程的重量,kg 
             | 
            
             7.3 
             | 
            
             16.2 
             | 
            
             25 
             | 
            
             36 
             | 
            
             70.5 
             | 
            
             87 
             | 
            
             420 
             | 
            
             1010 
             | 
            
             1350 
             | 
        
| 
             絲桿每100mm的 重量 
             | 
            
             0.45 
             | 
            
             0.82 
             | 
            
             1.67 
             | 
            
             2.15 
             | 
            
             4.15 
             | 
            
             5.20 
             | 
            
             7.45 
             | 
            
             13.6 
             | 
            
             17.3 
             | 
        
| 
             絲桿升降機潤滑劑 
             | 
            
             合成鈣鈉基潤滑脂ZGN-1或ZGN-2(溫度范圍-20℃-100℃) 
             | 
        ||||||||

| 
             型號 
             | 
            
             SWL 2.5 
             | 
            
             SWL 5 
             | 
            
             SWL 10 
            SWL 15 
             | 
            
             SWL 20 
             | 
            
             SWL 25 
             | 
            
             SWL35 
             | 
            
             SWL50 
             | 
            
             SWL100 
             | 
            
             SWL120 
             | 
        ||
| 
             S1 
             | 
            
             行程+20 
             | 
            
             行程+20 
             | 
            
             行程+20 
             | 
            
             行程+20 
             | 
            
             行程+20 
             | 
            
             行程+20 
             | 
            
             行程+20 
             | 
            
             行程+20 
             | 
            
             行程+20 
             | 
        ||
| 
             S2 
             | 
            
             行程+110 
             | 
            
             行程+110 
             | 
            
             行程+150 
             | 
            
             行程+190 
             | 
            
             行程+205 
             | 
            
             行程+250 
             | 
            
             行程+285 
             | 
            
             行程+350 
             | 
            
             行程+400 
             | 
        ||
| 
             S3 
             | 
            
             150.5 
             | 
            
             193 
             | 
            
             230 
             | 
            
             262 
             | 
            
             317 
             | 
            
             350 
             | 
            
             416 
             | 
            
             550 
             | 
            
             570 
             | 
        ||
| 
             A 
             | 
            
             165 
             | 
            
             212 
             | 
            
             235 
             | 
            
             295 
             | 
            
             350 
             | 
            
             430 
             | 
            
             475 
             | 
            
             526 
             | 
            
             526 
             | 
        ||
| 
             B 
             | 
            
             120 
             | 
            
             155 
             | 
            
             200 
             | 
            
             215 
             | 
            
             260 
             | 
            
             280 
             | 
            
             500 
             | 
            
             622 
             | 
            
             622 
             | 
        ||
| 
             M 
             | 
            
             135 
             | 
            
             168 
             | 
            
             190 
             | 
            
             240 
             | 
            
             280 
             | 
            
             360 
             | 
            
             385 
             | 
            
             412 
             | 
            
             412 
             | 
        ||
| 
             N 
             | 
            
             90 
             | 
            
             114 
             | 
            
             155 
             | 
            
             160 
             | 
            
             190 
             | 
            
             210 
             | 
            
             406 
             | 
            
             508 
             | 
            
             508 
             | 
        ||
| 
             H 
             | 
            
             97 
             | 
            
             130 
             | 
            
             150 
             | 
            
             176 
             | 
            
             217 
             | 
            
             240 
             | 
            
             280 
             | 
            
             360 
             | 
            
             360 
             | 
        ||
| 
             h 
             | 
            
             45 
             | 
            
             61.5 
             | 
            
             70 
             | 
            
             87 
             | 
            
             102 
             | 
            
             115 
             | 
            
             121 
             | 
            
             155 
             | 
            
             155 
             | 
        ||
| 
             h1 
             | 
            
             12 
             | 
            
             18 
             | 
            
             16 
             | 
            
             20 
             | 
            
             25 
             | 
            
             30 
             | 
            
             32 
             | 
            
             38 
             | 
            
             42 
             | 
        ||
| 
             d(k6) 
             | 
            
             16 
             | 
            
             20 
             | 
            
             25 
             | 
            
             28 
             | 
            
             32 
             | 
            
             38 
             | 
            
             38 
             | 
            
             45 
             | 
            
             48 
             | 
        ||
| 
             d1 
             | 
            
             14 
             | 
            
             17 
             | 
            
             21 
             | 
            
             28 
             | 
            
             35 
             | 
            
             35 
             | 
            
             45 
             | 
            
             48 
             | 
            
             48 
             | 
        ||
| 
             鍵GB11096 
             | 
            
             5×5×32 
             | 
            
             6×6×45 
             | 
            
             8×7×45 
             | 
            
             8×7×45 
             | 
            
             10×8×50 
             | 
            
             10×8×70 
             | 
            
             10×8×90 
             | 
            
             14×9×100 
             | 
            
             14×9×100 
             | 
        ||
| 
             L 
             | 
            
             — 
             | 
            
             — 
             | 
            
             42 
             | 
            
             42 
             | 
            
             58 
             | 
            
             80 
             | 
            
             105 
             | 
            
             100 
             | 
            
             190 
             | 
        ||
| 
             L1 
             | 
            
             110.5 
             | 
            
             132 
             | 
            
             172 
             | 
            
             213.5 
             | 
            
             221 
             | 
            
             265 
             | 
            
             310 
             | 
            
             380 
             | 
            
             380 
             | 
        ||
| 
             L2 
             | 
            
             190 
             | 
            
             228 
             | 
            
             280 
             | 
            
             322 
             | 
            
             355 
             | 
            
             430 
             | 
            
             558 
             | 
            
             610 
             | 
            
             610 
             | 
        ||
| 
             D 
             | 
            
             48 
             | 
            
             65 
             | 
            
             80 
             | 
            
             100 
             | 
            
             130 
             | 
            
             150 
             | 
            
             170 
             | 
            
             240 
             | 
            
             240 
             | 
        ||
| 
             D1 
             | 
            
             98 
             | 
            
             122 
             | 
            
             150 
             | 
            
             185 
             | 
            
             205 
             | 
            
             260 
             | 
            
             300 
             | 
            
             420 
             | 
            
             420 
             | 
        ||
| 
             D2 
             | 
            
             70 
             | 
            
             90 
             | 
            
             100 
             | 
            
             120 
             | 
            
             150 
             | 
            
             180 
             | 
            
             220 
             | 
            
             310 
             | 
            
             310 
             | 
        ||
| 
             D3 
             | 
            
             45 
             | 
            
             60 
             | 
            
             76 
             | 
            
             83 
             | 
            
             114 
             | 
            
             121 
             | 
            
             145 
             | 
            
             180 
             | 
            
             220 
             | 
        ||
| 
             D4 
             | 
            
             98 
             | 
            
             110 
             | 
            
             130 
             | 
            
             170 
             | 
            
             200 
             | 
            
             210 
             | 
            
             260 
             | 
            
             370 
             | 
            
             370 
             | 
        ||
| 
             D5 
             | 
            
             60 
             | 
            
             70 
             | 
            
             95 
             | 
            
             108 
             | 
            
             133 
             | 
            
             139 
             | 
            
             170 
             | 
            
             215 
             | 
            
             260 
             | 
        ||
| 
             A1 
             | 
            
             45.2 
             | 
            
             56.2 
             | 
            
             66.8 
             | 
            
             72.5 
             | 
            
             97 
             | 
            
             120 
             | 
            
             135 
             | 
            
             190 
             | 
            
             190 
             | 
        ||
| 
             A2 
             | 
            
             50 
             | 
            
             58 
             | 
            
             63.5 
             | 
            
             95 
             | 
            
             95 
             | 
            
             135 
             | 
            
             80 
             | 
            
             146 
             | 
            
             146 
             | 
        ||
| 
             A3 
             | 
            
             65 
             | 
            
             80 
             | 
            
             86 
             | 
            
             122.5 
             | 
            
             130 
             | 
            
             170 
             | 
            
             125 
             | 
            
             203 
             | 
            
             203 
             | 
        ||
| 
             b1 
             | 
            
             20 
             | 
            
             25 
             | 
            
             17 
             | 
            
             35 
             | 
            
             30 
             | 
            
             35 
             | 
            
             45 
             | 
            
             60 
             | 
            
             60 
             | 
        ||
| 
             b2 
             | 
            
             20 
             | 
            
             18 
             | 
            
             18 
             | 
            
             31 
             | 
            
             40 
             | 
            
             40 
             | 
            
             50 
             | 
            
             65 
             | 
            
             65 
             | 
        ||
| 
             F 
             | 
            
             8.5 
             | 
            
             12 
             | 
            
             6.5 
             | 
            
             6 
             | 
            
             8 
             | 
            
             10 
             | 
            
             16 
             | 
            
             40 
             | 
            
             40 
             | 
        ||
| 
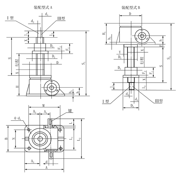
             絲杠頭部型式 
             | 
            
             Ⅰ 
             | 
            
             d2 
             | 
            
             20 
             | 
            
             25 
             | 
            
             40 
             | 
            
             50 
             | 
            
             70 
             | 
            
             80 
             | 
            
             95 
             | 
            
             130 
             | 
            
             150 
             | 
        
| 
             I1 
             | 
            
             30 
             | 
            
             40 
             | 
            
             50 
             | 
            
             60 
             | 
            
             63 
             | 
            
             80 
             | 
            
             90 
             | 
            
             120 
             | 
            
             140 
             | 
        ||
| 
             I2 
             | 
            
             45 
             | 
            
             51 
             | 
            
             73.5 
             | 
            
             80 
             | 
            
             92 
             | 
            
             100 
             | 
            
             120 
             | 
            
             150 
             | 
            
             170 
             | 
        ||
| 
             Ⅱ 
             | 
            
             D7 
             | 
            
             98 
             | 
            
             122 
             | 
            
             150 
             | 
            
             185 
             | 
            
             205 
             | 
            
             260 
             | 
            
             300 
             | 
            
             370 
             | 
            
             400 
             | 
        |
| 
             D8 
             | 
            
             75 
             | 
            
             85 
             | 
            
             105 
             | 
            
             140 
             | 
            
             155 
             | 
            
             200 
             | 
            
             225 
             | 
            
             280 
             | 
            
             310 
             | 
        ||
| 
             D9 
             | 
            
             40 
             | 
            
             50 
             | 
            
             65 
             | 
            
             90 
             | 
            
             100 
             | 
            
             130 
             | 
            
             150 
             | 
            
             200 
             | 
            
             230 
             | 
        ||
| 
             d3 
             | 
            
             14 
             | 
            
             17 
             | 
            
             21 
             | 
            
             26 
             | 
            
             27 
             | 
            
             33 
             | 
            
             39 
             | 
            
             48 
             | 
            
             48 
             | 
        ||
| 
             F1 
             | 
            
             12 
             | 
            
             18 
             | 
            
             20 
             | 
            
             20 
             | 
            
             25 
             | 
            
             30 
             | 
            
             35 
             | 
            
             75 
             | 
            
             80 
             | 
        ||
| 
             F2 
             | 
            
             30 
             | 
            
             40 
             | 
            
             50 
             | 
            
             60 
             | 
            
             63 
             | 
            
             80 
             | 
            
             90 
             | 
            
             120 
             | 
            
             140 
             | 
        ||
| 
             F3 
             | 
            
             45 
             | 
            
             51 
             | 
            
             73.5 
             | 
            
             80 
             | 
            
             92 
             | 
            
             100 
             | 
            
             120 
             | 
            
             150 
             | 
            
             170 
             | 
        ||
| 
             Ⅲ 
             | 
            
             d4 
             | 
            
             M22×1.5-6g 
             | 
            
             M30×2-6g 
             | 
            
             M42×2-6g 
             | 
            
             M48×2-6g 
             | 
            
             M70×3-6g 
             | 
            
             M80×3-6g 
             | 
            
             M95×3-6g 
             | 
            
             M130×4-6g 
             | 
            
             M150×4-6g 
             | 
        |
| 
             I3 
             | 
            
             30 
             | 
            
             39 
             | 
            
             50 
             | 
            
             60 
             | 
            
             63 
             | 
            
             80 
             | 
            
             90 
             | 
            
             120 
             | 
            
             140 
             | 
        ||
| 
             I4 
             | 
            
             45 
             | 
            
             51 
             | 
            
             73.5 
             | 
            
             80 
             | 
            
             92 
             | 
            
             100 
             | 
            
             120 
             | 
            
             150 
             | 
            
             170 
             | 
        ||
| 
             Ⅳ 
             | 
            
             d5 
             | 
            
             50 
             | 
            
             65 
             | 
            
             90 
             | 
            
             110 
             | 
            
             130 
             | 
            
             150 
             | 
            
             180 
             | 
            
             220 
             | 
            
             260 
             | 
        |
| 
             d6 
             | 
            
             25 
             | 
            
             35 
             | 
            
             50 
             | 
            
             60 
             | 
            
             70 
             | 
            
             80 
             | 
            
             80 
             | 
            
             90 
             | 
            
             95 
             | 
        ||
| 
             b3 
             | 
            
             30 
             | 
            
             42 
             | 
            
             60 
             | 
            
             75 
             | 
            
             90 
             | 
            
             105 
             | 
            
             120 
             | 
            
             160 
             | 
            
             180 
             | 
        ||
| 
             I5 
             | 
            
             25 
             | 
            
             37.5 
             | 
            
             50 
             | 
            
             60 
             | 
            
             70 
             | 
            
             80 
             | 
            
             80 
             | 
            
             90 
             | 
            
             100 
             | 
        ||
| 
             I6 
             | 
            
             50 
             | 
            
             75 
             | 
            
             100 
             | 
            
             120 
             | 
            
             140 
             | 
            
             160 
             | 
            
             160 
             | 
            
             180 
             | 
            
             200 
             | 
        ||
| 
             I7 
             | 
            
             85 
             | 
            
             117 
             | 
            
             153.5 
             | 
            
             170 
             | 
            
             204 
             | 
            
             240 
             | 
            
             270 
             | 
            
             330 
             | 
            
             360 
             | 
        ||
| 
             I8 
             | 
            
             70 
             | 
            
             105 
             | 
            
             130 
             | 
            
             150 
             | 
            
             175 
             | 
            
             220 
             | 
            
             240 
             | 
            
             300 
             | 
            
             335 
             | 
        ||

| 
             型號 
             | 
            
             SWL2.5 
             | 
            
             SWL5 
             | 
            
             SWL10 
            SWL15 
             | 
            
             SWL 20 
             | 
            
             SWL 25 
             | 
            
             SWL 35 
             | 
            
             SWL50 
             | 
            
             SWL100 
             | 
            
             SWL120 
             | 
        ||
| 
             S 
             | 
            
             行程+85 
             | 
            
             行程+100 
             | 
            
             行程+125 
             | 
            
             行程+150 
             | 
            
             行程+170 
             | 
            
             行程+205 
             | 
            
             行程+250 
             | 
            
             行程+320 
             | 
            
             行程+330 
             | 
        ||
| 
             S1 
             | 
            
             行程+215 
             | 
            
             行程+270 
             | 
            
             行程+335 
             | 
            
             行程+404 
             | 
            
             行程+476 
             | 
            
             行程+535 
             | 
            
             行程+603 
             | 
            
             行程+815 
             | 
            
             行程+845 
             | 
        ||
| 
             S2 
             | 
            
             行程+238.5 
             | 
            
             行程+300 
             | 
            
             行程+359 
             | 
            
             行程+430 
             | 
            
             行程+513 
             | 
            
             行程+580 
             | 
            
             行程+685 
             | 
            
             行程+880 
             | 
            
             行程+910 
             | 
        ||
| 
             A 
             | 
            
             165 
             | 
            
             212 
             | 
            
             235 
             | 
            
             295 
             | 
            
             350 
             | 
            
             430 
             | 
            
             475 
             | 
            
             526 
             | 
            
             526 
             | 
        ||
| 
             B 
             | 
            
             120 
             | 
            
             155 
             | 
            
             200 
             | 
            
             215 
             | 
            
             260 
             | 
            
             280 
             | 
            
             500 
             | 
            
             622 
             | 
            
             622 
             | 
        ||
| 
             M 
             | 
            
             135 
             | 
            
             168 
             | 
            
             190 
             | 
            
             240 
             | 
            
             280 
             | 
            
             360 
             | 
            
             385 
             | 
            
             412 
             | 
            
             412 
             | 
        ||
| 
             N 
             | 
            
             90 
             | 
            
             114 
             | 
            
             155 
             | 
            
             160 
             | 
            
             190 
             | 
            
             210 
             | 
            
             406 
             | 
            
             508 
             | 
            
             508 
             | 
        ||
| 
             H 
             | 
            
             100 
             | 
            
             131 
             | 
            
             160 
             | 
            
             194 
             | 
            
             226 
             | 
            
             250 
             | 
            
             290 
             | 
            
             375 
             | 
            
             375 
             | 
        ||
| 
             H1 
             | 
            
             97 
             | 
            
             131 
             | 
            
             150 
             | 
            
             181 
             | 
            
             211 
             | 
            
             250 
             | 
            
             280 
             | 
            
             360 
             | 
            
             360 
             | 
        ||
| 
             h 
             | 
            
             45 
             | 
            
             61.5 
             | 
            
             70 
             | 
            
             87 
             | 
            
             102 
             | 
            
             115 
             | 
            
             121 
             | 
            
             155 
             | 
            
             155 
             | 
        ||
| 
             h1 
             | 
            
             12 
             | 
            
             14 
             | 
            
             16 
             | 
            
             20 
             | 
            
             25 
             | 
            
             30 
             | 
            
             32 
             | 
            
             38 
             | 
            
             42 
             | 
        ||
| 
             d(k6) 
             | 
            
             16 
             | 
            
             20 
             | 
            
             25 
             | 
            
             28 
             | 
            
             32 
             | 
            
             38 
             | 
            
             38 
             | 
            
             45 
             | 
            
             48 
             | 
        ||
| 
             d1 
             | 
            
             14 
             | 
            
             17 
             | 
            
             21 
             | 
            
             28 
             | 
            
             35 
             | 
            
             35 
             | 
            
             45 
             | 
            
             48 
             | 
            
             48 
             | 
        ||
| 
             鍵GB1096 
             | 
            
             5×5×32 
             | 
            
             6×6×32 
             | 
            
             8×7×45 
             | 
            
             8×7×45 
             | 
            
             10×8×50 
             | 
            
             10×8×70 
             | 
            
             10×8×90 
             | 
            
             14×9×100 
             | 
            
             14×9×100 
             | 
        ||
| 
             L 
             | 
            
             — 
             | 
            
             — 
             | 
            
             42 
             | 
            
             42 
             | 
            
             58 
             | 
            
             80 
             | 
            
             105 
             | 
            
             100 
             | 
            
             100 
             | 
        ||
| 
             L1 
             | 
            
             110.5 
             | 
            
             132 
             | 
            
             172 
             | 
            
             213.5 
             | 
            
             221 
             | 
            
             265 
             | 
            
             310 
             | 
            
             380 
             | 
            
             380 
             | 
        ||
| 
             L2 
             | 
            
             190 
             | 
            
             228 
             | 
            
             280 
             | 
            
             322 
             | 
            
             355 
             | 
            
             430 
             | 
            
             558 
             | 
            
             610 
             | 
            
             610 
             | 
        ||
| 
             D 
             | 
            
             98 
             | 
            
             122 
             | 
            
             150 
             | 
            
             185 
             | 
            
             205 
             | 
            
             260 
             | 
            
             300 
             | 
            
             420 
             | 
            
             420 
             | 
        ||
| 
             D1 
             | 
            
             68 
             | 
            
             83 
             | 
            
             110 
             | 
            
             140 
             | 
            
             160 
             | 
            
             180 
             | 
            
             200 
             | 
            
             260 
             | 
            
             260 
             | 
        ||
| 
             A1 
             | 
            
             45.2 
             | 
            
             56.2 
             | 
            
             66.8 
             | 
            
             72.5 
             | 
            
             97 
             | 
            
             120 
             | 
            
             135 
             | 
            
             190 
             | 
            
             190 
             | 
        ||
| 
             A2 
             | 
            
             50 
             | 
            
             58 
             | 
            
             63.5 
             | 
            
             95 
             | 
            
             95 
             | 
            
             135 
             | 
            
             80 
             | 
            
             146 
             | 
            
             146 
             | 
        ||
| 
             A3 
             | 
            
             65 
             | 
            
             80 
             | 
            
             86 
             | 
            
             122.5 
             | 
            
             130 
             | 
            
             170 
             | 
            
             125 
             | 
            
             203 
             | 
            
             203 
             | 
        ||
| 
             F 
             | 
            
             26.5 
             | 
            
             30 
             | 
            
             34 
             | 
            
             39 
             | 
            
             52 
             | 
            
             45 
             | 
            
             65 
             | 
            
             80 
             | 
            
             80 
             | 
        ||
| 
             安全裕度X 
             | 
            
             20 
             | 
            
             20 
             | 
            
             25 
             | 
            
             25 
             | 
            
             25 
             | 
            
             30 
             | 
            
             40 
             | 
            
             50 
             | 
            
             50 
             | 
        ||
| 
             Y 
             | 
            
             3 
             | 
            
             3 
             | 
            
             1 
             | 
            
             3 
             | 
            
             3 
             | 
            
             4 
             | 
            
             5 
             | 
            
             6 
             | 
            
             6 
             | 
        ||
| 
             活動螺母 
             | 
            
             D2 
             | 
            
             80 
             | 
            
             87 
             | 
            
             110 
             | 
            
             120 
             | 
            
             155 
             | 
            
             190 
             | 
            
             220 
             | 
            
             300 
             | 
            
             330 
             | 
        |
| 
             D3(K6) 
             | 
            
             50 
             | 
            
             70 
             | 
            
             90 
             | 
            
             90 
             | 
            
             130 
             | 
            
             150 
             | 
            
             180 
             | 
            
             240 
             | 
            
             260 
             | 
        ||
| 
             F1 
             | 
            
             45 
             | 
            
             60 
             | 
            
             75 
             | 
            
             100 
             | 
            
             120 
             | 
            
             145 
             | 
            
             170 
             | 
            
             220 
             | 
            
             270 
             | 
        ||
| 
             F2 
             | 
            
             15 
             | 
            
             18 
             | 
            
             25 
             | 
            
             30 
             | 
            
             35 
             | 
            
             35 
             | 
            
             50 
             | 
            
             70 
             | 
            
             80 
             | 
        ||
| 
             絲杠頭部型式 
             | 
            
             Ⅰ 
             | 
            
             d2(k6) 
             | 
            
             20 
             | 
            
             25 
             | 
            
             40 
             | 
            
             50 
             | 
            
             70 
             | 
            
             80 
             | 
            
             95 
             | 
            
             130 
             | 
            
             150 
             | 
        
| 
             I1 
             | 
            
             30 
             | 
            
             40 
             | 
            
             50 
             | 
            
             60 
             | 
            
             80 
             | 
            
             80 
             | 
            
             90 
             | 
            
             120 
             | 
            
             140 
             | 
        ||
| 
             Ⅱ 
             | 
            
             d4 
             | 
            
             M22×1.5-6g 
             | 
            
             M30×2-6g 
             | 
            
             M42×2-6g 
             | 
            
             M48×2-6g 
             | 
            
             M70×3-6g 
             | 
            
             M80×3-6g 
             | 
            
             M95×3-6g 
             | 
            
             M130×4-6g 
             | 
            
             M150×4-6g 
             | 
        |
| 
             I3 
             | 
            
             | 
            
             39 
             | 
            
             50 
             | 
            
             60 
             | 
            
             63 
             | 
            
             80 
             | 
            
             90 
             | 
            
             120 
             | 
            
             140 
             | 
        ||

冀公網安備13092802000153號