| 
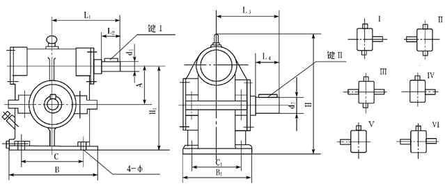
           型號 
         | 
        
           A 
         | 
        
           H1 
         | 
        
           H 
         | 
        
           B 
         | 
        
           B1 
         | 
        
           C 
         | 
        
           C1 
         | 
        
           4--Φ 
         | 
        
           L1 
         | 
        
           L2 
         | 
        
           L3 
         | 
        
           L4 
         | 
        
           d1 
         | 
        
           鍵I 
         | 
        
           d2 
         | 
        
           鍵II 
         | 
      
| 
           WSJ80 
         | 
        
           80 
         | 
        
           200 
         | 
        
           275 
         | 
        
           210 
         | 
        
           160 
         | 
        
           145 
         | 
        
           115 
         | 
        
           4—Φ13 
         | 
        
           181 
         | 
        
           50 
         | 
        
           152 
         | 
        
           50 
         | 
        
           Φ22 
         | 
        
           6×40 
         | 
        
           Φ30 
         | 
        
           8×42 
         | 
      
| 
           WSJ100 
         | 
        
           100 
         | 
        
           240 
         | 
        
           330 
         | 
        
           250 
         | 
        
           180 
         | 
        
           180 
         | 
        
           140 
         | 
        
           4—Φ18 
         | 
        
           191 
         | 
        
           50 
         | 
        
           176 
         | 
        
           65 
         | 
        
           Φ30 
         | 
        
           8×42 
         | 
        
           Φ40 
         | 
        
           12×55 
         | 
      
| 
           WSJ120 
         | 
        
           120 
         | 
        
           270 
         | 
        
           360 
         | 
        
           275 
         | 
        
           200 
         | 
        
           200 
         | 
        
           150 
         | 
        
           4—Φ18 
         | 
        
           218 
         | 
        
           56 
         | 
        
           187 
         | 
        
           78 
         | 
        
           Φ30 
         | 
        
           8×50 
         | 
        
           Φ45 
         | 
        
           14×70 
         | 
      

冀公網安備13092802000153號