

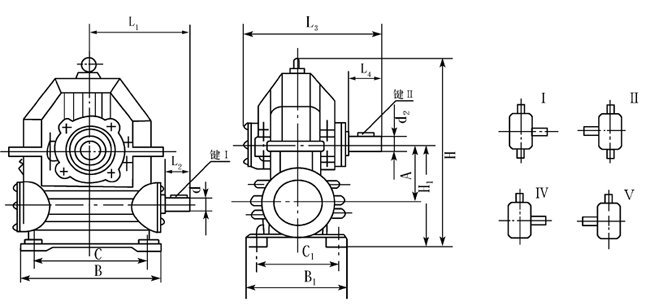
| 
             型號 
             | 
            
             A 
             | 
            
             H1 
             | 
            
             H 
             | 
            
             B 
             | 
            
             B1 
             | 
            
             C 
             | 
            
             C1 
             | 
            
             4--Φ 
             | 
            
             L1 
             | 
            
             L2 
             | 
            
             L3 
             | 
            
             L4 
             | 
            
             d1 
             | 
            
             鍵I 
             | 
            
             d2 
             | 
            
             鍵II 
             | 
        
| 
             WXJ80 
             | 
            
             80 
             | 
            
             160 
             | 
            
             285 
             | 
            
             210 
             | 
            
             160 
             | 
            
             145 
             | 
            
             115 
             | 
            
             4—Φ13 
             | 
            
             181 
             | 
            
             50 
             | 
            
             152 
             | 
            
             50 
             | 
            
             Φ22 
             | 
            
             6×40 
             | 
            
             Φ30 
             | 
            
             8×42 
             | 
        
| 
             WXJ100 
             | 
            
             100 
             | 
            
             190 
             | 
            
             340 
             | 
            
             250 
             | 
            
             180 
             | 
            
             180 
             | 
            
             140 
             | 
            
             4—Φ18 
             | 
            
             191 
             | 
            
             50 
             | 
            
             176 
             | 
            
             65 
             | 
            
             Φ30 
             | 
            
             8×42 
             | 
            
             Φ40 
             | 
            
             12×55 
             | 
        
| 
             WXJ120 
             | 
            
             120 
             | 
            
             220 
             | 
            
             380 
             | 
            
             275 
             | 
            
             200 
             | 
            
             200 
             | 
            
             150 
             | 
            
             4—Φ18 
             | 
            
             218 
             | 
            
             56 
             | 
            
             187 
             | 
            
             78 
             | 
            
             Φ30 
             | 
            
             8×50 
             | 
            
             Φ45 
             | 
            
             14×70 
             | 
        
| 
             WXJ150 
             | 
            
             150 
             | 
            
             270 
             | 
            
             450 
             | 
            
             374 
             | 
            
             260 
             | 
            
             290 
             | 
            
             210 
             | 
            
             4—Φ24 
             | 
            
             277 
             | 
            
             65 
             | 
            
             227 
             | 
            
             90 
             | 
            
             Φ40 
             | 
            
             12×50 
             | 
            
             Φ55 
             | 
            
             16×80 
             | 
        
| 
             WXJ180 
             | 
            
             180 
             | 
            
             320 
             | 
            
             540 
             | 
            
             420 
             | 
            
             320 
             | 
            
             300 
             | 
            
             260 
             | 
            
             4—Φ24 
             | 
            
             298 
             | 
            
             78 
             | 
            
             261 
             | 
            
             98 
             | 
            
             Φ45 
             | 
            
             14×68 
             | 
            
             Φ60 
             | 
            
             18×90 
             | 
        

冀公網安備13092802000153號